Zajadacz EVI

Dehn 952920 DG SE CI 440 DG SE CI 440 FM

FM Überspannungsableiter Typ2 DEHNguard

Artikel
5510429
Lieferanten Typ
DG SE CI 440 FM
Lieferanten Artikel
952920

Beschreibung

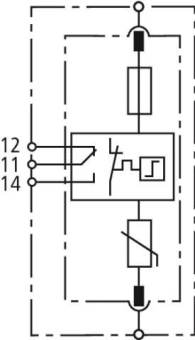
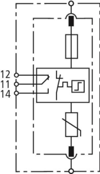
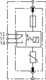
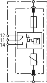
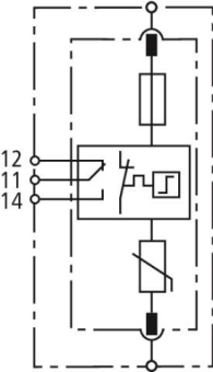
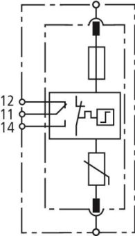
Einpoliger Überspannungsableiter DEHNguard SE CI, Typ 2 nach EN 61643-11 mit integrierter Ableitervorsicherung, bestehend aus Basisteil und gestecktem Schutzmodul. Hohe Gerätesicherheit durch Ableiterüberwachung mit Thermo-Dynamik-Control. Zum Schutz von Niederspannungs-Verbraucheranlagen vor Überspannungen. Zum Einsatz im Blitz-Schutzzonen-Konzept an den Schnittstellen 0B – 1 und höher.

Hersteller-Seite

Artikeleigenschaften

Zolltarif-Nr.
85363030
Reach
2025-07-16 - Ja
Ursprungs-Land
DE
WEEE-Land
DE
WEEE-Nummer
11890845
Netzform DC
Netzform IT
Netzform TN
Netzform TN-C
Netzform TN-C-S
Netzform TN-S
Netzform TT
Netzform sonstige
Anzahl der Leiter (ohne Erde)
1
Nennableitstoßstrom (8/20)
12,5 kA
Nennspannung AC
400 V
Höchste Dauerspannung AC
440 V
Schutzpegel
2 kV
Kurzschlussfestigkeit (Isccr)
25 kA
Integrierter Kurzschlussschutz
Integrierte Vorsicherung
Leckstromfrei
Montageart
Hutschiene TH35
Baugröße
1,5 TE
Max. Leiterquerschnitt starr (ein-/mehrdrähtig)
35 qmm
Max. Leiterquerschnitt flexibel (feindrähtig)
25 qmm
Mit Fernmeldekontakt
Signalisierung am Gerät
optisch
Prüfklasse Typ 2
Schutzart (IP)
IP20
ETIM-Klasse
Überspannungsableiter für Energietechnik/Stromversorgung