Zajadacz EVI

Dehn 953228 DR M 2P DR M 2P 255 SN1802

255 SN1802 Überspannungsableiter Typ 3

Artikel
5510435
Lieferanten Typ
DR M 2P 255 SN1802
Lieferanten Artikel
953228

Beschreibung

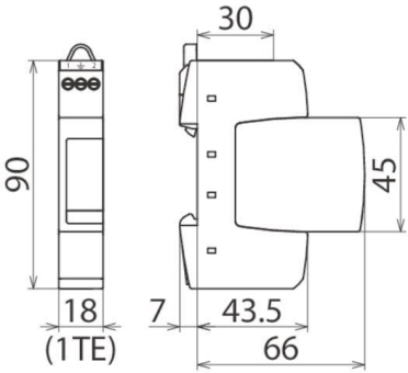
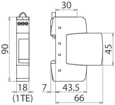
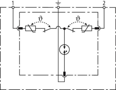
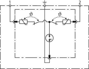
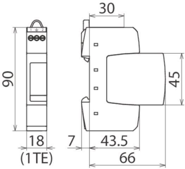
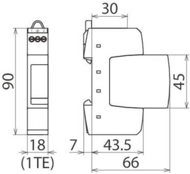
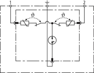
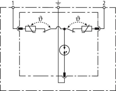
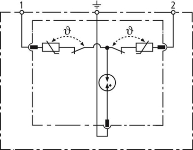
Zweipoliger Überspannungsableiter DEHNrail modular, Typ 3 nach EN 61643-11, bestehend aus Basiselement und gestecktem Schutzmodul. Hohes Ableitvermögen durch leistungsfähige Zinkoxidvaristor- / Funkenstreckenkombination. Zum Schutz der Netzversorgung von Geräten der Industrieelektronik vor transienten Überspannungen in Schaltschränken. Zum Einsatz im Blitz-Schutzzonen-Konzept an den Schnittstellen 1 – 2 und höher.

Hersteller-Seite

Artikeleigenschaften

Zolltarif-Nr.
85363030
Reach
2025-07-16 - Ja
Ursprungs-Land
RO
WEEE-Land
DE
WEEE-Nummer
11890845
Nennspannung AC
230 V
Höchste Dauerspannung AC
255 V
Höchste Dauerspannung DC
255 V
Nennableitstoßstrom (8/20) (L-N)
3 kA
Gesamtableitstoßstrom (8/20) (L+N-PE)
5 kA
Schutzpegel L-N
1,25 kV
Schutzpegel L-PE/N-PE
1,5 kV
Max. Überstromschutzeinrichtung Stichverdrahtung (Sicherung)
32 A
Polzahl
2
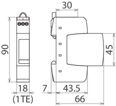
Montageart
Hutschiene TH35
Max. Leiterquerschnitt starr (ein-/mehrdrähtig)
4 qmm
Max. Leiterquerschnitt flexibel (feindrähtig)
2,5 qmm
Mit Fernmeldekontakt
Signalisierung am Gerät
optisch
Prüfklasse Typ 3
Mit Entstörfilter
Schutzart (IP)
IP20
ETIM-Klasse
Geräteüberspannungsschutz für Energietechnik/Stromversorgung