Zajadacz EVI

Dehn Überspannungsabl. DPI MD 24 M 2S

DEHNpipe M20x1,5 Innen u.Aussengew.

Artikel
976650
Lieferanten Typ
DPI MD 24 M 2S
Lieferanten Artikel
929941

Beschreibung

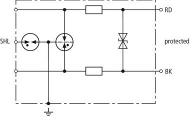
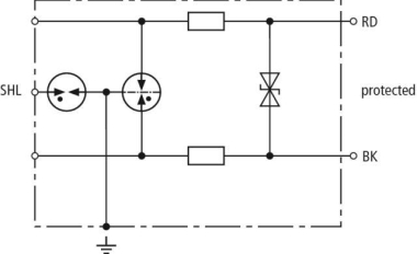
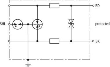
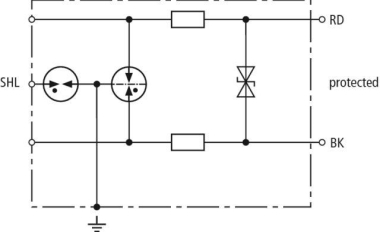
Energetisch koordinierter gegen Erde leckstromfreier zweistufiger Ableiter für 4-20 mA-Schnittstellen mit Schraubgewinde M20 x 1,5 (innen/außen). Schirmerdung direkt, indirekt oder ohne möglich. Kabelverschraubung als Zubehör lieferbar.

Hersteller-Seite

Artikeleigenschaften

Zolltarif-Nr.
85363010
Reach
2025-07-16 - Ja
Ursprungs-Land
DE
WEEE-Land
DE
WEEE-Nummer
11890845
Nennspannung DC
24.0 - 24.0 V
Höchste Dauerspannung AC
24,5 V
Höchste Dauerspannung DC
34,8 V
Nennableitstoßstrom (8/20)
10 kA
Blitzstoßstrom (10/350 µs)
1 kA
Nennlaststrom
0,5 A
Schutzpegel Ader/Ader
50 V
Schutzpegel Ader/Erde
500 V
Grenzfrequenz
14 MHz
Montageart
sonstige
Anschluss 1
Schraubanschlussklemme
Ableiterüberwachung
Mit Fernmeldekontakt
Explosionsgeprüfte Ausführung
Trennmöglichkeit des Signalkreises
Anzahl der Leiter (ohne Erde)
2
Erdung über
sonstige
Schutzart (IP)
IP67
ETIM-Klasse
Überspannungsableiter für Informations-/MSR-Technik

Zubehör

Oft zusammen gekauft