Zajadacz EVI

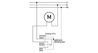
Doepke Champ 2 GS- Champ 2 GS-L/F 05 m

L/F05m Schwimmer-schalter

Artikel
4401667
Lieferanten Typ
Champ 2 GS-L/F 05 m
Lieferanten Artikel
09921056

Beschreibung

Schwimmerschalter Ausführung "Füllen/Leeren", 1 Wechsler
mit Gummileitung, Schutzleiter

Hersteller-Seite

Artikeleigenschaften

Zolltarif-Nr.
90261029
Ursprungs-Land
IT
WEEE-Land
DE
WEEE-Nummer
85624250
Geeignet für Trinkwasser
Geeignet für Regenwasser
Geeignet für Kühlwasser
Geeignet für Fäkalien
Geeignet für Haushaltsabwasser
Geeignet für Kondenswasser
Geeignet für Glykol
Ablesbar
Mit Display
Schaltdifferenz einstellbar
Eintauchtiefe
0 mm
Montage vertikal
Montage horizontal
Ausführung Aufnehmer/Fühler
sonstige
Montageart
oberhalb des Schachts hängend
Material Schwimmer
Kunststoff
Anschluss
sonstige
Gewindemaß
sonstige
Max. Spannung der Kontakte
250 V
Max. Kontaktbelastung
10 A
Max. Mediumtemperatur (Dauerbetrieb)
50 °C
Min. spezifische Masse Flüssigkeit
970 kg/m#54#
Max. Arbeitsdruck
1 bar
Schutzart (IP)
IP68
Schutzart (NEMA)
6P
Explosionsgeschützt
ETIM-Klasse
Schwimmerschalter

Zubehör

Oft zusammen gekauft