Zajadacz EVI

Doepke DRCCB 5 ST 040-4/0,03-A

FI-Schalter 3p Selftest N re 09431502

Artikel
4401660
Lieferanten Typ
DRCCB 5 ST 040-4/0,0
Lieferanten Artikel
09431502

Beschreibung

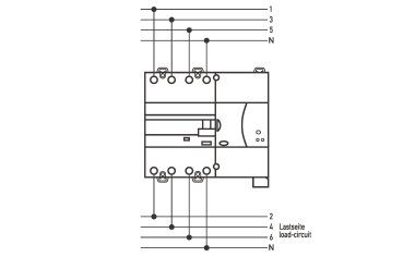
Fehlerstromschutzschalter des Typs A sind puls- und wechselstromsensitiv. Schalter in der Ausführung Selftest (ST) führen regelmäßig automatisch einen Funktionstest des Fehlerstromschutzschalters durch. Dies erfolgt für die Anlage unterbrechungsfrei und ohne zusätzlichen Verdrahtungsaufwand, da die benötigte Spannungsversorgung integriert ist.

Hersteller-Seite

Artikeleigenschaften

Zolltarif-Nr.
85362010
Ursprungs-Land
PT
WEEE-Land
DE
WEEE-Nummer
85624250
Polzahl
4
Bemessungsspannung
400 V
Bemessungsstrom
40 A
Bemessungsfehlerstrom
0,03 A
Bemessungsisolationsspannung Ui
500 V
Bemessungsstoßspannungsfestigkeit Uimp
4 kV
Verlustleistung
6 W
Montageart
DIN-Schiene
Fehlerstrom-Typ
A
Selektiver-Typ
Kurzzeitverzögerter Typ
Kurzschlussfestigkeit (Icw)
10 kA
Stoßstromfestigkeit
3 kA
Spannungsart
AC
Mit Verriegelungsvorrichtung
Frequenz
50 Hz
Bemessungsabschaltvermögen
0,63 kA
Bemessungsschaltstrom Zusatzeinrichtung
40 A
Bemessungsspannung Zusatzeinrichtung
400 V
Steuerspannungsart Zusatzeinrichtung
AC
Schutzart (IP)
IP20
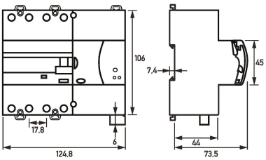
Breite in Teilungseinheiten
7
Einbautiefe
66,1 mm
Umgebungstemperatur während des Betriebs
-25 - 60 °C
Explosionsgeschützt
Baugröße nach DIN 43880
7
ETIM-Klasse
Fehlerstrom-Schutzschalter mit Zusatzeinrichtung

Zubehör

Oft zusammen gekauft