Zajadacz EVI

Doepke Diff-Stromw. DCTR A 035/0,3-I

4-20mA-Schnittstelle D35mm 09342631

Artikel
4401643
Lieferanten Typ
DCTR A 035/0,3-I
Lieferanten Artikel
09342631

Beschreibung

Differenzstrom-Überwachungsgeräte (RCM) erfassen zuverlässig Fehler- sowie Differenzströme und melden diese, ohne die Anlage abzuschalten. Sie werden dort eingesetzt, wo ein Abschalten der Anlage nicht möglich oder erwünscht ist. Differenzstrommonitore der Baureihe DCTR sind kompakt gebaut und einfach zu installieren. Die Auswerteeinrichtung ist bereits integriert. Das Gerät erfasst die Höhe der aktuellen Ableit- und Fehlerströme kontinuierlich und gibt sie, in Abhängigkeit der Variante, proportional als 4-20-mA-Signal oder über Ethernet wieder. Bei Überschreitung der Ansprechschwelle schaltet ein potenzialfreier Wechsler. Eine mehrfarbige LED signalisiert den Zustand. Monitore mit der Differenzstromcharakteristik A erkennen sinusförmige Wechsel- und pulsierende Gleichfehlerströme. Geräte in Standardausführung sind für die Überwachung von Stromkreisen mit einer Bemessungsspannung bis zu 690 V und einer Bemessungsfrequenz von 50 bis 60 Hz ausgelegt.

Hersteller-Seite

Artikeleigenschaften

Zolltarif-Nr.
90303370
Ursprungs-Land
DE
WEEE-Land
DE
WEEE-Nummer
85624250
Elektrische Ausführung des integrierten Wandlers
Differenzstromwandler
Mechanische Ausführung des integrierten Wandlers
Durchsteckstromwandler
Öffnungsdurchmesser
35 mm
Schnappbefestigung
Bemessungsstrom des überwachten Stromkreises
200 A
Bemessungsspannung des überwachten Stromkreises
690 V
Bemessungsfrequenz des überwachten Stromkreises fn
50 - 60 Hz
Bemessungsisolationsspannung Ui
700 V
Bemessungsstoßspannungsfestigkeit Uimp
8 kV
Überspannungskategorie
IV
Funktion
für Wechselstromnetze
Frequenzselektive Erfassung
Frequenzbereich Ansprechdifferenzstrom fidn Typ A
50 - 60 Hz
Betriebsart
Standalone
Betriebsspannung
24 V
Schnittstelle Ethernet
Power over Ethernet (PoE)
ohne
Kommunikationsprotokoll
ohne
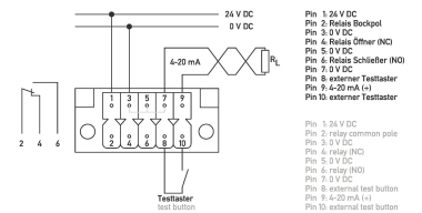
Schnittstelle 4-20 mA
Anzahl der Kontakte als Öffner
0
Anzahl der Kontakte als Schließer
0
Anzahl der Kontakte als Wechsler
1
Ausführung des elektrischen Anschlusses
Steckanschluss
Verschmutzungsgrad
2
Schutzart (IP)
IP20
Breite
85 mm
Höhe
98 mm
Tiefe
71 mm
ETIM-Klasse
Differenzstrom-Überwachungsgerät mit Wandler

Oft zusammen gekauft