Zajadacz EVI

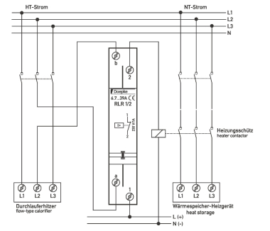
Doepke Lastabwurfrelais RLR 1

f.konv.Durchlauferhitzer 1p. 09980283

Artikel
1084726
Lieferanten Typ
RLR 1
Lieferanten Artikel
09980283

Beschreibung

Lastabwurfrelais schalten einen angeschlossenen Verbraucher aus, wenn ein anderer eingeschaltet wird. Sie verhindern damit Stromspitzen, indem sie den gleichzeitigen Betrieb von leistungsstarken Verbrauchern verhindern. Die kompakten Geräte der Baureihe RLR verfügen über ein potenzialfreies Öffnerrelais. Das RLR 2 hat eine zusätzliche Abfallverzögerung.

Hersteller-Seite

Artikeleigenschaften

Zolltarif-Nr.
85363030
Ursprungs-Land
CZ
WEEE-Land
DE
WEEE-Nummer
85624250
Bemessungsspannung
400 V
Bemessungsstrom
6.7 - 39 A
Ansprechstrom
3.1 - 5.3 A
Max. Abfallverzögerung
20 ms
Max. Dauerstrom
43 A
Anzahl der Kontakte als Schließer
0
Anzahl der Kontakte als Öffner
1
Anzahl der Kontakte als Wechsler
0
Bemessungsstrom (Steuerkontakte)
1 A
Max. Schaltspannung (Steuerkontakte)
400 V
Max. Schaltleistung (Steuerkontakte)
250 VA
Elektrische Lebensdauer (Steuerkontakte)
1000000 Schaltspiele
Mechanische Lebensdauer (Steuerkontakte)
100000000 Schaltspiele
Max. elektrische Schalthäufigkeit
1800 c/h
Spannungsart
AC
Montageart
DIN-Schiene
Breite in Teilungseinheiten
1
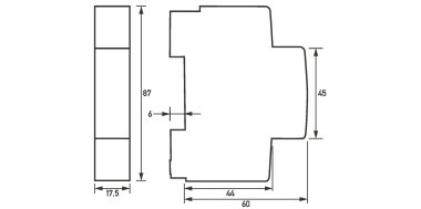
Einbautiefe
60 mm
Schutzart (IP)
IP40
ETIM-Klasse
Lastabwurfrelais für Reiheneinbau

Oft zusammen gekauft