Zajadacz EVI

Doepke PRCD 3p 40A 0.03A Typ B DPRCD-M1L

o.Linksdrehfeldverriegelung 09342102

Artikel
7325229
Lieferanten Typ
DPRCD-M1L
Lieferanten Artikel
09342102

Beschreibung

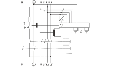
PRCD (Portable Residual Current Devices) sind ortsveränderliche Fehlerstromschutzeinrichtungen, die für den zusätzlichen Schutz an vorhandenen Elektroinstallationen mit unbekannter oder unzureichender Schutzmaßnahme verwendet werden. Sie kombinieren Fehlerstromschutz, Unterspannungsauslösung und Neutralleiterüberwachung. Mit geschaltetem Schutzleiter bieten sie zudem eine Schutzleiterüberwachung. Geräte der Baureihe DPRCD-M sind Basiskomponenten zur Herstellung einer dreiphasigen Personenschutzeinrichtung PRCD. Sie eignen sich zur Hutschienenmontage und sind kompatibel mit den Gehäusen namhafter Hersteller. Auf nur 8 TE kombinieren die Geräte eine allstromsensitive Fehlerstromschutzeinrichtung mit einer Netzleiter- und Schutzleiterüberwachung. Durch eine 6-mA-DC-Erkennung sichert das Gerät zudem die Schutzfunktion vorgeschalteter Fehlerstromschutzschalter. DPRCD-M sind allstromsensitiv bei Fehlerströmen ab 0 Hz. Sie sind erhöht stoßstrom- und gewitterfest. Produkte der Variante MxL ohne Linksdrehfeldverriegelung ermöglichen das Einschalten des Geräts auch bei Anliegen eines Linksdrehfeldes.

Hersteller-Seite

Artikeleigenschaften

Zolltarif-Nr.
85363030
Ursprungs-Land
DE
WEEE-Land
DE
WEEE-Nummer
85624250
Polzahl
5
Bemessungsspannung
400 V
Bemessungsstrom
40 A
Bemessungsfehlerstrom
0,03 A
Bemessungsisolationsspannung Ui
400 V
Bemessungsstoßspannungsfestigkeit Uimp
4 kV
Verlustleistung
3,9 W
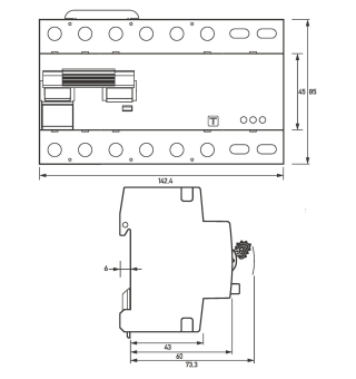
Montageart
DIN-Schiene
Fehlerstrom-Typ
B
Selektiver-Typ
Kurzzeitverzögerter Typ
Kurzschlussfestigkeit (Icw)
10 kA
Stoßstromfestigkeit
3 kA
Spannungsart
AC
Mit Verriegelungsvorrichtung
Frequenz
50 Hz
Zusatzeinrichtungen möglich
Schutzart (IP)
IP20
Breite in Teilungseinheiten
8
Einbautiefe
69 mm
Umgebungstemperatur während des Betriebs
-25 - 55 °C
Verschmutzungsgrad
2
Anschließbarer Leiterquerschnitt mehrdrähtig
1.5 - 50 qmm
Anschließbarer Leiterquerschnitt eindrähtig
1.5 - 50 qmm
Farbe
grau
RAL-Nummer (ähnlich)
7035
Gerätebreite
144 mm
Explosionsgeschützt
Gerätehöhe
85 mm
Gerätetiefe
75 mm
Art des Personenschutzes PRCD
PRCD-S Pro
ETIM-Klasse
Fehlerstrom-Schutzschalter

Oft zusammen gekauft