Zajadacz EVI

EFB Bürstenleiste f.Stand- 691662.1

schränke L:450mmx90mm

Artikel
2433186
Lieferanten Typ
691662.1
Lieferanten Artikel
691662.1

Beschreibung

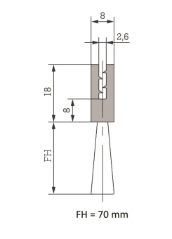
Bürstenleiste passend für die Kabeleinführungen der Standschränke PRO und CLASSIC Borstenlänge 70 mm, Gesamtläge 88 mm Geeignet für Blechstärken 0,6 .. 1,5 mm

Hersteller-Seite

Artikeleigenschaften

Zolltarif-Nr.
39269097
Ursprungs-Land
PL
WEEE-Land
DE
WEEE-Nummer
93063866
Ausführung
sonstige
Werkstoff
Kunststoff
Geeignet für 482,6 mm (19 Zoll)-Montage
Breite
450 mm
ETIM-Klasse
Kabelführung für Gehäuse/Schränke

Oft zusammen gekauft