Zajadacz EVI

Eberle Klimaregler/ KLR-E 52558

Kühldeckenregler 517723021100

Artikel
1092023
Lieferanten Typ
KLR-E 52558
Lieferanten Artikel
517723021100

Beschreibung

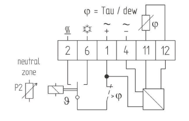
Klimaregler, elektronisch für Wandbefestigung. Eignet sich für die Regelung von Kühldecken. Getrennte Heiz- und Kühlstufe sowie 2 Tausensoren (10m) zur Abschaltung der Kühlung bei Betauung. Einstellbare Neutral/Totzone von 0,5 - 8,5 K. Kontroll-Lampen: Betauung/Kühlen/Heizen. Betrieb auch mit Fernfühler (verlängerbar bis 50m) möglich. Bereichseinengung im Einstellknopf als Kostenbremse. Aufputzmontage oder direkt auf UP-Dose mit senkrechten Befestigungslöchern

Hersteller-Seite

Artikeleigenschaften

Zolltarif-Nr.
90321020
Ursprungs-Land
DE
WEEE-Land
DE
WEEE-Nummer
59919971
Regelungsart An/Aus
Regelungsart modulierend
Art der Spannungsversorgung
24 V
Anschluss
sonstige
Mit Empfänger
Messbereich
5 - 30 °C
Sensor extern
Mit thermischer Rückführung
Regelcharakteristik
sonstige
Geeignet für Heizung
Anzahl der Ausgänge Heizung
1
Geeignet für Kühlen
Anzahl der Ausgänge Kühlung
1
Differenzwert
0.5 - 0.5 K
Differenz verstellbar
Wahlschalter für Heizung und Warmwasser mit Heizung
Ausführung Aufnehmer/Fühler
Widerstandssensor
Temperatur ablesbar
Relative Luftfeuchtigkeit ablesbar
Mit Display
Bedienung
Dreh
Kontaktausführung
Wechsler (NO/NC)
Max. Spannung der Kontakte
230 V
Max. Kontaktbelastung
10 A
Schutzart (IP)
IP30
Explosionsgeschützt
Farbe
weiß
RAL-Nummer
9010
Breite
127,5 mm
Tiefe
28,6 mm
Höhe
75 mm
Kompatibel mit Apple HomeKit
Kompatibel mit Google Assistant
Kompatibel mit Amazon Alexa
IFTTT-Unterstützung verfügbar
ETIM-Klasse
Raumthermostat/Uhrenthermostat

Zubehör

Oft zusammen gekauft