Zajadacz EVI

Eberle Strommessrelais 0,01-10A IMI-1

053015140200

Artikel
3221447
Lieferanten Typ
IMI-1
Lieferanten Artikel
053015140200

Beschreibung

Strommessrelais zur Überwachung von Gleich- und Wechselstrom. 3 Messbereiche. Die Stromart wird automatisch erkannt. Das Gerät verfügt über 3 Betriebsarten. Minimum: Es wird ein Mindeststrom überwacht, das Relais schaltet bei Unterschreiten des Sollwertes. Maximum: Es wird ein Höchststrom überwacht, das Relais schaltet bei Überschreiten des Sollwertes. Window (Fenster): Es wird ein Strombereich überwacht, das Relais schaltet sobald der Strom den Bereich über- oder unterschreitet. Jede Betriebsart kann mit oder ohne Fehlerspeicher gewählt werden. Funktionen frontseitig einstellbar. Getrennte Einstellung der Schaltschwellen. Einstellbare Fehlerreaktion und Anlaufüberbrückungszeit. Anzeige des Betriebszustandes über 3 LED: UH , >max. und

Hersteller-Seite

Artikeleigenschaften

Zolltarif-Nr.
85364900
Ursprungs-Land
AT
WEEE-Land
DE
WEEE-Nummer
59919971
Ausführung des elektrischen Anschlusses
Schraubanschluss
Mit abnehmbaren Klemmen
Externe Stromversorgung erforderlich
Spannungsart der Versorgungsspannung
AC
Versorgungsspannung AC 50 Hz
230 - 230 V
Versorgungsspannung AC 60 Hz
230 - 230 V
Stromart
AC
Strommessbereich
0.1 - 10 A
Ansprechwert Stromstärke 1
10 - 20 A
1-Phasen-Unterstrom möglich
3-Phasen-Unterstrom möglich
1-Phasen-Überstrom möglich
3-Phasen-Überstrom möglich
1-Phasen-Fenster möglich
3-Phasen-Fenster möglich
Enthält Funktion Gleichspannung-Unterstrom
Enthält Funktion Gleichspannung-Überstrom
Funktion Gleichstrom-Fenster
Min. einstellbare Ansprechverzögerungszeit
0,1 s
Max. zulässige Ansprechverzögerungszeit
10 s
Min. einstellbare Rückfallverzögerungszeit
0,1 s
Max. zulässige Rückfallverzögerungszeit
10 s
Externer Stromwandler
Anzahl der Kontakte als Wechsler
2
Spannungsart der Betriebsspannung
AC
Betriebsspannung AC 50 Hz
230 - 230 V
Betriebsspannung AC 60 Hz
230 - 230 V
Bemessungsschaltstrom
5 A
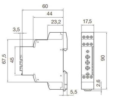
Breite
35 mm
Höhe
87 mm
Tiefe
63 mm
ETIM-Klasse
Stromüberwachungsgerät

Oft zusammen gekauft