Zajadacz EVI

FF 332 RRAKRR Feste 332.80F-----F91

Falle ohne Stulp 24V GS Universal

Artikel
2581078
Lieferanten Typ
332.80F-----F91
Lieferanten Artikel
332.80F-----F91

Beschreibung

Der speziell für die Anwendung zur Verriegelung von Türen in Rettungswegen konzipierte Ruhestrom-Türöffner 332® von effeff gilt mit seinen geringen Einbaumaßen als kleinster Fluchttüröffner weltweit.|Die kompakte Bauform des effeff-Fluchttüröffners 332®, ist vergleichbar mit einem handelsüblichen Standardtüröffner ? eine schnelle und unkomplizierte Montage in die unterschiedlichsten Profile und Zargen ist also garantiert.|Ein weiterer Vorteil ist die sichere Entriegelung unter Vorlast bis 3.000N bei 100 Prozent der Haltekraft im Falle einer Stromabschaltung. Damit gewährleistet der Fluchttüröffner auch an Türen ohne Rettungsweganforderungen, bei denen mit Druck auf die Türöffnerfalle zu rechnen ist, einen sicheren Funktionsablauf. Durch seine symmetrische Bauform kann der Türöffner universal DIN links und DIN rechts sowie waagrecht eingesetzt werden.|Prüfzertifikat (MPA Dortmund) 120002494.10

Hersteller-Seite

Artikeleigenschaften

Zolltarif-Nr.
83014019
Ursprungs-Land
DE
WEEE-Land
DE
WEEE-Nummer
69404980
Ausführung
Fluchttüröffner
Bauform
symmetrisch
Einbaulage
universal
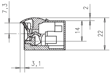
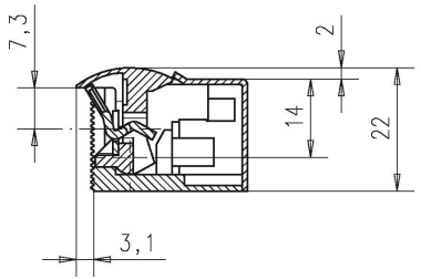
Höhe
78,7 mm
Zusammenstellung
Rahmenteil
Spannung
24 - 24 V
Mit Arretierung
Mit mechanischer Entriegelung
Mit Rückmeldung
Öffnungsrichtung nach DIN
links/rechts
Wassergeschützt
Montageart
Einbau
Kompatibel mit Apple HomeKit
Kompatibel mit Google Assistant
Stromart
DC
Arbeitsweise
Ruhestrom
Kompatibel mit Amazon Alexa
IFTTT-Unterstützung verfügbar
Pulskontakt
Verstellbare Türöffnerfalle
Verstellbarer Türöffner
Verstellbares Schließblech
Fallenführung integriert
Für Fallenrutsche
Art der Entriegelung
Standardausführung
Dauerbetrieb (100 % ED)
Mechanische Entriegelung
Geeignet für Feuerschutztür
Geeignet für Rauchschutztür
Stulpform
ohne
Mit Schließblech
ETIM-Klasse
Elektrischer Türöffner

Oft zusammen gekauft