Zajadacz EVI

FF FH-Türöffner 143 .23 143.23------Q34

RR PROFIX 2 o.Stulp 12/24V GS/WS DIN

Artikel
4078278
Lieferanten Typ
143.23------Q34
Lieferanten Artikel
143.23------Q34

Beschreibung

Modell mit Rückmeldekontakt als potentialfreier Wechselkontakt. Dieser wird über einen Schieber von der Schlossfalle betätigt.|Auch als Sicherheits-Türöffner verwendbar

Artikeleigenschaften

Zolltarif-Nr.
83014019
Ursprungs-Land
DE
WEEE-Land
DE
WEEE-Nummer
69404980
Ausführung
sonstige
Bauform
symmetrisch
Einbaulage
universal
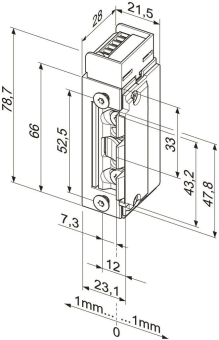
Höhe
78,7 mm
Breite
23,1 mm
Tiefe
28 mm
Zusammenstellung
Rahmenteil
Spannung
12 - 24 V
Mit Arretierung
Mit mechanischer Entriegelung
Mit Rückmeldung
Öffnungsrichtung nach DIN
links/rechts
Wassergeschützt
Montageart
Einbau
Kompatibel mit Apple HomeKit
Kompatibel mit Google Assistant
Stromart
AC/DC
Arbeitsweise
Arbeitsstrom
Kompatibel mit Amazon Alexa
IFTTT-Unterstützung verfügbar
Pulskontakt
Verstellbare Türöffnerfalle
Verstellbarer Türöffner
Verstellbares Schließblech
Fallenführung integriert
Für Fallenrutsche
Art der Entriegelung
Standardausführung
Dauerbetrieb (100 % ED)
Mechanische Entriegelung
Geeignet für Feuerschutztür
Geeignet für Rauchschutztür
Mit Schließblech
Gebrauchskategorie nach EN 14846
3
Dauerfunktionstüchtigkeit nach EN 14846
X
Masse der Tür, Schließkraft nach EN 14846
5
Geeignet für Feuer-/Rauchschutztüren nach EN 14846
E
Umgebungsbedingung nach EN 14846
0
Sicherheit - Einbruchschutz nach EN 14846
0
Schutzwirkung elektrische Funktionsweise nach EN 14846
0
Schutzwirkung mechanische Funktionsweise nach EN 14846
1
VdS-Klasse
Klasse B
ETIM-Klasse
Elektrischer Türöffner

Oft zusammen gekauft