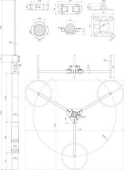
Zajadacz EVI

FM D40 L2700 GFK AL V2A DBS R560 STTZN

R560 STTZN Fangmast f.HVI light plus

Artikel
6979465
Lieferanten Typ
FM D40 L2700 GFK AL
Lieferanten Artikel
819682

Beschreibung

Fangmast für HVI light plus Leitung, für die Errichtung auf Flachdächern, mit Anpassung an die Dachneigung bis max. 10°. Komplett mit Vierfachanschlussplatte für die HVI light plus Leitung, Befestigungsset zur Montage der Leitung und Dreibeinstativ. Gesamthöhe 2700 mm, inkl. Stützrohr GFK/Al und Fangsspitze.

Hersteller-Seite

Artikeleigenschaften

Zolltarif-Nr.
85389099
Ursprungs-Land
DE
WEEE-Land
DE
WEEE-Nummer
11890845
Länge
2700 mm
Durchmesser
10.0 - 50.0 mm
Ausführung
Fangstange mit Stativ
Teleskopisch
Werkstoff
Edelstahl 304 (V2A)
Oberflächenschutz
unbehandelt
Anschluss
Rundleiter
Hochspannungsfeste isolierte Ausführung
ETIM-Klasse
Fangeinrichtung für Blitzschutz