Zajadacz EVI

Fintech Kabelkanalunterteil TBA302-1

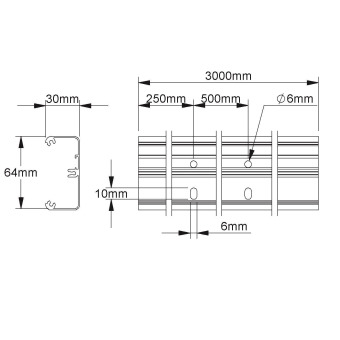
30x65x3000mm alu farblos anodisiert

Artikel
2829863
Lieferanten Typ
TBA302-1
Lieferanten Artikel
TBA302-1

Beschreibung

Leitungsführungskanalunterteil, mini, mit zweireihiger Befestigungslochung im Kanalboden, zur Aufputz-Montage an der Wand. Abmessungen (ca. Maße) H x B : 30 x 65 mm zweireihige Bodenlochung : 6 x 10 und Ø 6 mm Reihenabstand : 26 mm Bodenlochabstand Rastermaß : 500 mm Lieferlänge L : 3000 mm Nutzbarer Querschnitt : 1584 mm² Oberfläche : farblos anodisiert Werkstoff : Aluminiumlegierung

Hersteller-Seite

Artikeleigenschaften

Zolltarif-Nr.
76109090
Ursprungs-Land
FI
Höhe
30 mm
Breite
65 mm
Länge
3000 mm
Nutzbarer Querschnitt
1859 qmm
Werkstoff
Aluminium
Werkstoffgüte
sonstige
Halogenfrei
Antibakterielle Behandlung
Oberflächenschutz
sonstige
Geeignet für Funktionserhalt
Transparent
Anzahl der festen Trennwände
0
Anzahl der steckbaren Trennwände
0
Befestigungsart
sonstige
Ausführung Deckel
ohne
Mit Kabelhalteklammer
Mit Schutzfolie
Mit Kanalverbinder
Lieferung auf Rolle
Vorprägungen
Schutzart (IP)
IP20
ETIM-Klasse
Leitungsführungskanal

Zubehör

Oft zusammen gekauft