Zajadacz EVI

HART D-Sub-Buchsenleiste 09663526611

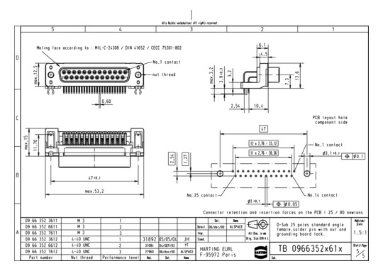
09663526611

Artikel
1181686
Lieferanten Typ
09663526611
Lieferanten Artikel
09663526611

Beschreibung

Steckverbinder, Wellenlötanschluss, Bemessungsstrom: 6,5 A, Buchse, Baugröße: D-Sub 3, Thermoplastischer Formstoff, glasfaserverstärkt (PBTP), Shell: Stahl, oberflächenveredelt, schwarz, Kontakte: 25 mit Massekontakt, Kupferlegierung, Edelmetall über Ni

Hersteller-Seite

Artikeleigenschaften

Zolltarif-Nr.
85366990
Ursprungs-Land
RO
WEEE-Land
DE
WEEE-Nummer
19469086
Ausführung
Stecker/Buchse
Polzahl
25
ETIM-Klasse
D-Sub-Kupplung

Oft zusammen gekauft