Zajadacz EVI

HART FLACHBANDKABEL 09180107001

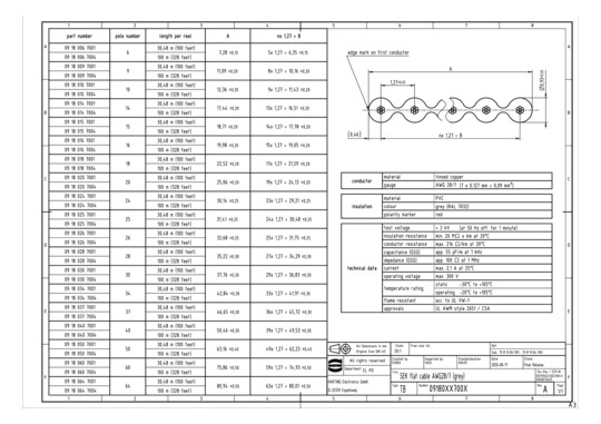
09180107001 ROLLE A 30,48M

Artikel
1181063
Lieferanten Typ
09180107001
Lieferanten Artikel
09180107001

Beschreibung

Flachleitung grau, 10-adrig, Leitungslänge pro Rolle: 30,48 m (164 feet), Spulen nur stehend lagern

Artikeleigenschaften

Zolltarif-Nr.
85444993
Ursprungs-Land
DE
WEEE-Land
DE
WEEE-Nummer
19469086
Ader-Zahl
10
Mantel-Farbe
grau
Zul. Kabelaußentemperatur bei Montage/Handling
105 - 105 °C
Zul. Kabelaußentemperatur nach Montage ohne Erschütterung
105 - 105 °C
Kategorie
sonstige
ETIM-Klasse
Daten- und Kommunikationskabel