Zajadacz EVI

HART Han 2 Mod-sti-c 5kV Hoc 09140023021

Artikel
2351585
Lieferanten Typ
09140023021
Lieferanten Artikel
09140023021

Beschreibung

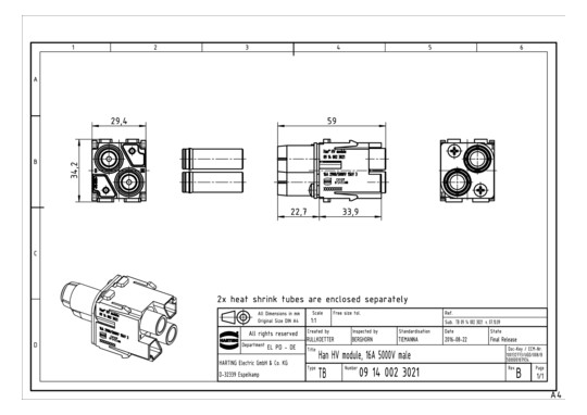
Han HV Modul, Doppelmodul, für Han E Crimpkontakte, Crimpanschluss, Stift, Kontakte: 2, Leiterquerschnitt: 0,5...4 mm², Bemessungsstrom: 16 A, Polycarbonat / Teflon (PTFE), RAL 7032 (kieselgrau)

Hersteller-Seite

Artikeleigenschaften

Zolltarif-Nr.
85389099
Ursprungs-Land
DE
WEEE-Land
DE
WEEE-Nummer
19469086
Anzahl der Leistungskontakte
2
Kontakteinsatz ohne Kontakte
Kontaktausführung
Stift
Polzahl
2
Werkstoff des Steckverbindereinsatzes
Thermoplast
Bemessungsstrom In
16 A
Betriebstemperatur
-40 - 125 °C
Bemessungsstoßspannung
15 kV
Verschmutzungsgrad
3
Ausführung des elektrischen Anschlusses
Crimpanschluss
Mit Drahtschutz
Anschließbarer Leiterquerschnitt feindrähtig ohne Aderendhülse
0.5 - 4 qmm
Anschließbarer Leiterquerschnitt mehrdrähtig
0.5 - 4 qmm
Werkstoff der Kontaktbeschichtung
sonstige
Werkstoff des Kontakteinsatzes
Thermoplast
Werkstoff des Kontaktes
sonstige
Brennbarkeitsklasse des Isolierstoffs nach UL 94
V0
Min. Anzahl der Steckzyklen
500
ETIM-Klasse
Kontakteinsatz für Rechtecksteckverbinder