Zajadacz EVI

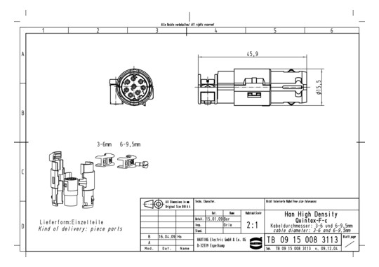
HART Han 8 Quintax-F-c 09150083113

Artikel
2676974
Lieferanten Typ
09150083113
Lieferanten Artikel
09150083113

Beschreibung

Buchse, Kontakte: 8 + Schirmung, Leiterquerschnitt: 0,09...0,52 mm², Bemessungsstrom: 5 A, Polycarbonat (PC), RAL 7032 (kieselgrau)

Hersteller-Seite

Artikeleigenschaften

Zolltarif-Nr.
85389099
Ursprungs-Land
DE
WEEE-Land
DE
WEEE-Nummer
19469086
Anzahl der Leistungskontakte
8
Kontakteinsatz ohne Kontakte
Kontaktausführung
Buchse
Polzahl
8
Werkstoff des Steckverbindereinsatzes
Thermoplast
Bemessungsstrom In
5 A
Betriebstemperatur
-40 - 85 °C
Bemessungsspannung
50 V
Bemessungsstoßspannung
0,8 kV
Verschmutzungsgrad
3
Ausführung des elektrischen Anschlusses
sonstige
Mit Drahtschutz
Anschließbarer Leiterquerschnitt feindrähtig ohne Aderendhülse
0.09 - 0.52 qmm
Anschließbarer Leiterquerschnitt mehrdrähtig
0.09 - 0.52 qmm
Werkstoff der Kontaktbeschichtung
sonstige
Werkstoff des Kontakteinsatzes
Thermoplast
Werkstoff des Kontaktes
sonstige
Brennbarkeitsklasse des Isolierstoffs nach UL94
V0
Min. Anzahl der Steckzyklen
500
ETIM-Klasse
Kontakteinsatz für Rechtecksteckverbinder

Oft zusammen gekauft