Zajadacz EVI

HART Sockelgehäuse 2xM25 19300100271

Artikel
1182081
Lieferanten Typ
19300100271
Lieferanten Artikel
19300100271

Beschreibung

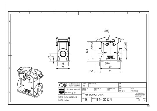
Sockelgehäuse, Baugröße: 10 B, hohe Bauform, Querbügel, Polycarbonat (PC), Edelstahl, seitlicher Kabeleingang, 2x M25, Werkstoff Gehäuse: Aluminium-Druckguss, pulverbeschichtet, RAL 7037 (staubgrau), Werkstoff Dichtung: NBR

Hersteller-Seite

Artikeleigenschaften

Zolltarif-Nr.
85389099
Reach
2026-02-03 - Ja
Ursprungs-Land
DE
WEEE-Land
DE
WEEE-Nummer
19469086
Breite
57 mm
Tiefe
80,8 mm
Ausführung des Gehäuses
Sockelgehäuse
Werkstoff des Gehäuses
Aluminium
Beschichtung Gehäuse
pulverbeschichtet
Gehäusefarbe
grau
Anordnung der Kabelzuführung
seitlich
Bügellage
Unterteil
Mit Kabelverschraubung
Befestigungsart der Kabelverschraubung
metrisch
Mit Klappdeckel
Mit Stutzen
Mit Dichtung
Anzahl der Leitungseinführungen
2
Art der Verriegelung
Querbügel
Brennbarkeitsklasse des Isolierstoffs nach UL94
sonstige
Betriebstemperatur
-40 - 125 °C
EMV-Ausführung
Korrosionsbeständig
UV-beständig
Schutzart (IP), montiert
IP65
ETIM-Klasse
Gehäuse für Rechtecksteckverbinder

Oft zusammen gekauft