Zajadacz EVI

HENS Belüftungsflansch Mi BF Mi BF 44

44, mit Belüftungsgitter IP 44 Mi BF 44

Artikel
3777212
Lieferanten Typ
Mi BF 44
Lieferanten Artikel
20001262

Beschreibung

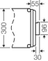
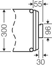
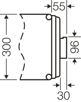
Belüftungsflansch

Zur Belüftung von Mi-Verteilern bei extrem hohen Innentemperaturen oder bei Gefahr von Kondenswasserbildung
Zur senkrechten Montage an seitliche Gehäusewände
Schutzart: IP23

Hersteller-Seite

Artikeleigenschaften

Zolltarif-Nr.
85371098
Ursprungs-Land
DE
WEEE-Land
DE
WEEE-Nummer
52801221
Geeignet für Gehäusebaubreite
300 mm
Geeignet für Gehäusebautiefe
110 mm
Breite
300 mm
Höhe
50 mm
Für max. Anzahl Lüfter
0
Werkstoff
Kunststoff
Ausführung der Oberfläche
unbehandelt
Mit eingebautem Filter
Montageart
Flansch
Schutzart (IP)
IP44
ETIM-Klasse
Lüfterblech (Schaltschrank)

Oft zusammen gekauft