Zajadacz EVI

HENS Mi-Lastschaltergehäuse Mi Mi 7104

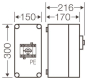
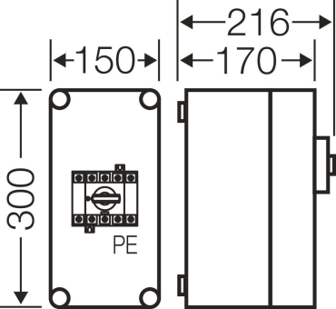
7104, 63A, 4polig + PE Mi 7104

Artikel
3214429
Lieferanten Typ
Mi 7104
Lieferanten Artikel
20001128

Beschreibung

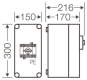
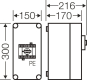
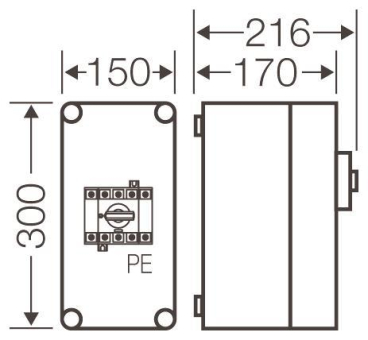
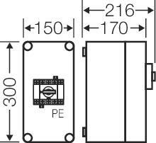
Gehäuse für den Bau von Energie-Schaltgerätekombinationen bis 630 A oder als Einzelgehäuse. Aus hochwertigem Polycarbonat schutzisoliert. Wanddurchführungen mit großen Öffnungen für die elektrische Verbindung der Gehäuse untereinander. Kabeleinführung an allen Gehäusewänden über metrische Vorprägungen oder Anbauflansche. Gehäuse zur Wandbefestigung auch über Außenlaschen oder mit Montageschienen. Gehäuse mit Lasttrennschalter 63 A, 4-polig, nach IEC 60947-3. Mit PE-Klemme für Kupferleiter. Griff des Lasttrennschalters abschließbar. Deckelverschlüsse für Werkzeugbetätigung.

Hersteller-Seite

Artikeleigenschaften

Zolltarif-Nr.
85371098
Ursprungs-Land
DE
WEEE-Land
DE
WEEE-Nummer
52801221
Ausführung als Hauptschalter
Ausführung als Wartungs-/Reparaturschalter
Ausführung als Sicherheitsschalter
Ausführung als NOT-AUS-Einrichtung
Ausführung als Wendeschalter
Max. Bemessungsbetriebsspannung Ue bei AC
690 V
Bemessungsbetriebsspannung
690 - 690 V
Bemessungsdauerstrom Iu
63 A
Bemessungsdauerstrom bei AC-21, 400 V
63 A
Bemessungsbetriebsleistung bei AC-3, 400 V
30 kW
Bemessungskurzzeitstromfestigkeit Icw
1,5 kA
Bemessungsbetriebsleistung bei AC-23, 400 V
30 kW
Schaltleistung bei 400 V
30 kW
Polzahl
4
Anzahl der Hilfskontakte als Öffner
0
Anzahl der Hilfskontakte als Schließer
0
Anzahl der Hilfskontakte als Wechsler
0
Motorantrieb optional
Motorantrieb integriert
Spannungsauslöser optional
Gerätebauart
Komplettgerät im Gehäuse
Geeignet für Bodenbefestigung
Geeignet für Frontbefestigung 4-Loch
Geeignet für Frontbefestigung Zentral
Geeignet für Verteilereinbau
Geeignet für Zwischenbau
Farbe des Betätigungselements
schwarz
Ausführung des Betätigungselements
kurzer Drehgriff
Verriegelbar
Anschlussart Hauptstromkreis
Rahmenklemme
Schutzart (IP), frontseitig
IP65
ETIM-Klasse
Lasttrennschalter

Zubehör

Oft zusammen gekauft