Zajadacz EVI

HENS Mi-Lastumschaltergehäuse Mi Mi 7882

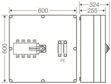
7882, 250A 4polig + PE Mi 7882

Artikel
3214428
Lieferanten Typ
Mi 7882
Lieferanten Artikel
20001135

Beschreibung

Mi-Netzumschaltgehäuse
Schutzart IP65, aus Thermoplast, grau nach RAL 7032, mit eingebauten Lastumschaltern nach IEC 60947-3, Bemessungsspannung AC 500 V, Deckelverschlüsse für Werkzeugbetätigung, Griffe abschließbar, mit PE- und N-Klemmen für Cu-Leiter, Gehäusewände mit metrischen Vorprägungen
250 A, 4-polig
Außenmaße: 600x600x255 mm
Anschluss: 6-70 mm2
Schaltvermögen: AC 23 A/B 400 V 132 kW
max. Vorsicherung: 160 A

Hersteller-Seite

Artikeleigenschaften

Zolltarif-Nr.
85371098
Ursprungs-Land
DE
WEEE-Land
DE
WEEE-Nummer
52801221
Ausführung als Hauptschalter
Ausführung als Wartungs-/Reparaturschalter
Ausführung als Sicherheitsschalter
Ausführung als NOT-AUS-Einrichtung
Ausführung als Wendeschalter
Max. Bemessungsbetriebsspannung Ue bei AC
415 V
Bemessungsbetriebsspannung
500 - 500 V
Bemessungsdauerstrom Iu
250 A
Bemessungsdauerstrom bei AC-21, 400 V
250 A
Bemessungsbetriebsleistung bei AC-3, 400 V
132 kW
Bemessungskurzzeitstromfestigkeit Icw
8 kA
Bemessungsbetriebsleistung bei AC-23, 400 V
132 kW
Schaltleistung bei 400 V
132 kW
Polzahl
4
Anzahl der Hilfskontakte als Öffner
0
Anzahl der Hilfskontakte als Schließer
0
Anzahl der Hilfskontakte als Wechsler
0
Motorantrieb optional
Motorantrieb integriert
Spannungsauslöser optional
Gerätebauart
Komplettgerät im Gehäuse
Geeignet für Bodenbefestigung
Geeignet für Frontbefestigung 4-Loch
Geeignet für Frontbefestigung Zentral
Geeignet für Verteilereinbau
Geeignet für Zwischenbau
Farbe des Betätigungselements
schwarz
Ausführung des Betätigungselements
langer Drehgriff
Verriegelbar
Anschlussart Hauptstromkreis
Bolzenanschluss
Schutzart (IP), frontseitig
IP65
ETIM-Klasse
Lasttrennschalter

Zubehör

Oft zusammen gekauft