Zajadacz EVI

HENS PV-GAK, m. Sicherung, Mi Mi PV 3311

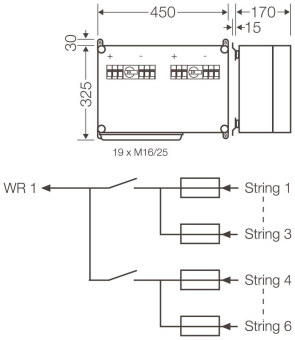
PV 3311 6xPV-String auf 1xWR-Eingang Mi

Artikel
3510440
Lieferanten Typ
Mi PV 3311
Lieferanten Artikel
20001250

Beschreibung

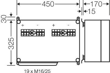
ENYSUN - PV-Generator-Anschlusskästen mit
Stringsicherungen und DC-Generatorfreischalter
Bemessungsspannung DC 1000 V, geeignet für ungeschützte Installation im Freien, UV-beständig, anschlussfertig, mit Außenlaschen aus Edelstahl, Deckelverschlüsse für Werkzeugbetätigung, Schutzart IP65, aus Polycarbonat grau nach RAL 7032
6 x PV-String auf 1 x Wechselrichter-Eingang, 355x450x170 mm
Bemessungsstrom: DC 2x30 A,
Strom pro PV-Strang: DC 10 A max.,
je 6 x Sicherungshalter + und -,
Anschluss: 1,5-16 mm2, Cu,
2 x DC-Generatorfreischalter, Gebrauchskategorie: DC-21 A,
Anschluss 6-35 mm2, Cu;
beigefügte Leitungseinführung: 12 ASM16, 12 ASM 20, 2 ASM 25

Hersteller-Seite

Artikeleigenschaften

Zolltarif-Nr.
85371098
Ursprungs-Land
DE
WEEE-Land
DE
WEEE-Nummer
52801221
Bestückung
sonstige
Form
sonstige
Montageart
Wand-/Deckenmontage
Einführung von hinten
Länge
325 mm
Breite
450 mm
Tiefe
170 mm
Anreihbar
Art der Gehäusedurchführung
sonstige
Werkstoff
Kunststoff
Halogenfrei
Oberflächenschutz
unbehandelt
Farbe
grau
Schutzart (IP)
IP65
Ausführung Deckel
sonstige
Deckelbefestigung
geschraubt
Vergießbar
Mit Vergussmasse mitgeliefert
Plombierbar
Bemessungsisolationsspannung Ui
1000 V
Funktionserhalt
ohne
Mit Abschirmung
Witterungsbeständig
Einsatztemperatur
-5 - 40 °C
Explosionsgeprüfte Ausführung
Für Ex-Zone Gas
ohne
Für Ex-Zone Staub
ohne
ETIM-Klasse
Dose, Gehäuse für Montage auf der Wand/Decke

Zubehör

Oft zusammen gekauft