Zajadacz EVI

HENS PV-GAK, mit ÖSE, KV PV KV PV 2411

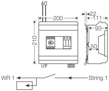
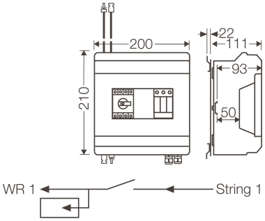
2411 1xPV-String auf 1xWR-Eingang KV PV

Artikel
3510431
Lieferanten Typ
KV PV 2411
Lieferanten Artikel
61001083

Beschreibung

ENYSUN PV-Generator-Anschlusskästen mit Überspannungsableiter
oder DC-Generatorfreischalter
Strom pro PV-String DC 30 A max., Bemessungsspannung DC 1000 V, geeignet für ungeschützte Installation im Freien, UV-beständig, anschlussfertig, mit Befestigungsplatte für Wand- und Mastmontage aus Edelstahl, mit transparenter Tür, Schutzart IP65, aus Thermoplast, grau nach RAL 7035
mit DC-Überspannungsableiter Typ 2 und
DC-Generatorfreischalter 200x210x111 mm
1 x DC-Überspannungsableiter Typ 2
1 x DC-Generatorfreischalter
1 x PV-String auf 1 x Wechselrichter-Eingang
Anschlusslänge: Ableitung 2x500 mm

Hersteller-Seite

Artikeleigenschaften

Zolltarif-Nr.
85369010
Ursprungs-Land
DE
WEEE-Land
DE
WEEE-Nummer
52801221
Bestückung
sonstige
Form
sonstige
Montageart
Wand-/Deckenmontage
Einführung von hinten
Länge
210 mm
Breite
200 mm
Tiefe
111 mm
Anreihbar
Art der Gehäusedurchführung
sonstige
Werkstoff
Kunststoff
Halogenfrei
Oberflächenschutz
unbehandelt
Farbe
grau
Schutzart (IP)
IP65
Ausführung Deckel
sonstige
Deckelbefestigung
scharnierend
Vergießbar
Mit Vergussmasse mitgeliefert
Plombierbar
Bemessungsisolationsspannung Ui
1000 V
Funktionserhalt
ohne
Mit Abschirmung
Witterungsbeständig
Einsatztemperatur
-5 - 40 °C
Explosionsgeprüfte Ausführung
Für Ex-Zone Gas
ohne
Für Ex-Zone Staub
ohne
ETIM-Klasse
Dose, Gehäuse für Montage auf der Wand/Decke

Zubehör

Oft zusammen gekauft