Zajadacz EVI

HENS PV-GAK, mit ÜSE, Mi PV Mi PV 1122

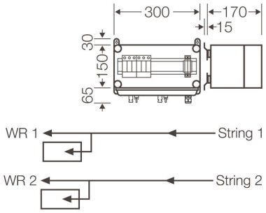
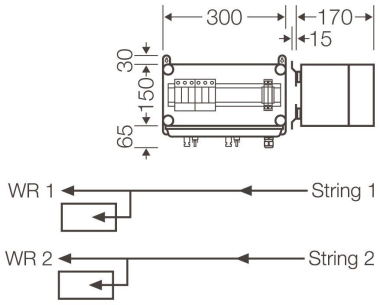
1222 2xPV-String auf 2xWR-Eingang Mi PV

Artikel
3258970
Lieferanten Typ
Mi PV 1122
Lieferanten Artikel
20001176

Beschreibung

ENYSUN PV-Generator-Anschlusskästen mit Überspannungsableiter
Bemessungsspannung DC 1000 V, geeignet für ungeschützte Installation im Freien,
UV-beständig, anschlussfertig, mit Außenlaschen aus Edelstahl, Deckelverschlüsse für Werkzeugbetätigung, Schutzart IP65, aus Thermoplast, grau nach RAL 7032
Bemessungsstrom: DC 30 A, Steckanschlüsse MC4-kompatibel, Anschluss PE: 16 mm2, Cu
2 x PV-String auf 2 x Wechselrichter-Eingang, 150x300x170 mm
Strom pro PV-String DC 30 A max., 2 x DC-Überspannungsableiter Typ 2

Hersteller-Seite

Artikeleigenschaften

Zolltarif-Nr.
85371098
Ursprungs-Land
DE
WEEE-Land
DE
WEEE-Nummer
52801221
Bestückung
sonstige
Form
sonstige
Montageart
Wand-/Deckenmontage
Einführung von hinten
Länge
215 mm
Breite
300 mm
Tiefe
170 mm
Anreihbar
Art der Gehäusedurchführung
sonstige
Werkstoff
Kunststoff
Halogenfrei
Oberflächenschutz
unbehandelt
Farbe
grau
Schutzart (IP)
IP65
Ausführung Deckel
sonstige
Deckelbefestigung
geschraubt
Vergießbar
Mit Vergussmasse mitgeliefert
Plombierbar
Bemessungsisolationsspannung Ui
1000 V
Funktionserhalt
ohne
Mit Abschirmung
Witterungsbeständig
Einsatztemperatur
-5 - 40 °C
Explosionsgeprüfte Ausführung
Für Ex-Zone Gas
ohne
Für Ex-Zone Staub
ohne
ETIM-Klasse
Dose, Gehäuse für Montage auf der Wand/Decke

Zubehör

Oft zusammen gekauft