Zajadacz EVI

HENS PV-Wechselrichter- Mi PV 5311

Sammler, Mi PV 5311 70kVA, 3-phasige

Artikel
3777146
Lieferanten Typ
Mi PV 5311
Lieferanten Artikel
20001272

Beschreibung

ENYSUN PV-Wechselrichter-Sammler mit
Lasttrennschalter für Sicherung 63 A, D 02
geeignet für geschützte Installation, Komplettset, nicht montiert, mit Außenlaschen aus Edelstahl, Deckelverschlüsse für Werkzeugbetätigung, Schutzart IP65, aus Polycarbonat, grau nach RAL 7032, Bemessungsspannung AC 230/400 V
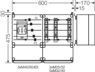
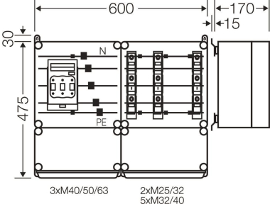
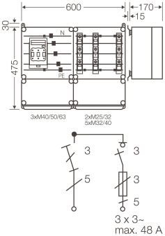
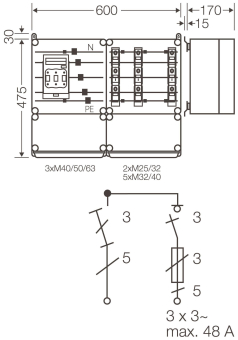
Bemessungsleistung 70 kVA, 505x600x170 mm
Zuleitung: für Wechselrichter bis 11 kVA, 1-phasig, bzw. für Wechselrichter bis 33 kVA, 3-phasig,
Bemessungsbetriebsstrom AC 48 A je Wechselrichter,
3x63 A, 3-polig D0 2, 1- oder 3-polig schaltend,
Klemmbereich: eindrähtig 1,5-10 mm2, feindrähtig 1,5-16 mm2, Cu;
9 Klemmen bzw. 3 Klemmen je PE+N,
Ableitung: Lasttrennschalter, 3-polig mit Trennmessern,
Anschluss: 70 mm2, Cu;
max. Vorsicherung: 125 A
Ausführung: 3-phasig

Hersteller-Seite

Artikeleigenschaften

Zolltarif-Nr.
85371098
Ursprungs-Land
DE
WEEE-Land
DE
WEEE-Nummer
52801221
Sicherung
Schraubsicherung
Bemessungsstrom
63 A
Schutzart (IP)
IP65
Platzierung auf Schienensystem
universal
Anzahl der Gruppen
3
Werkstoff des Gehäuses
Kunststoff
Mit transparentem Deckel
Höhe
475 mm
Breite
600 mm
Tiefe
170 mm
Anbaumöglichkeit
ETIM-Klasse
Sicherungskasten

Zubehör

Oft zusammen gekauft