Zajadacz EVI

HENS Sammelschienenträger MIST4 MIST41

für Sammelschienen 400A

Artikel
350683
Lieferanten Typ
Mi ST 41
Lieferanten Artikel
2000817

Beschreibung

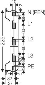
Sammelschienenträger für Mi-Sammelschienensystem 400 A. L1-L3: 20 x 10 mm, N: 12 x 10 mm und PE: 12 x 5 mm.

Hersteller-Seite

Artikeleigenschaften

Zolltarif-Nr.
85371098
Ursprungs-Land
DE
WEEE-Land
DE
WEEE-Nummer
52801221
Polzahl
5
Max. Bemessungsstrom
400 A
Schienenabstand
60 mm
ETIM-Klasse
Sammelschienenträger

Oft zusammen gekauft