Zajadacz EVI

HVI 20M L6M SR3200 SA RFS2500 AL DBS V2A

RFS2500 AL DBS V2A HVI-Ltg D20mm

Artikel
4401887
Lieferanten Typ
HVI 20M L6M SR3200 S
Lieferanten Artikel
819373

Beschreibung

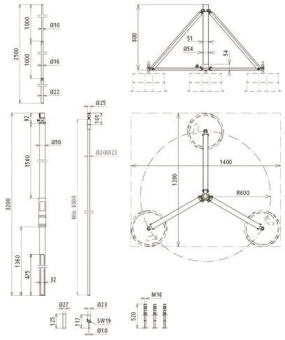
HVI Leitung (Hochspannungsfeste isolierte Ableitung) im Stützrohr, zum Einhalten des Trennungsabstandes zu elektrisch leitenden Teilen nach DIN EN 62305-3 (VDE 0185-305-3), um gefährliche Überschläge zwischen Teilen des äußeren Blitzschutzes und inneren, leitfähigen Teilen (Elektroanlage, Rohrleitungen, usw.) zu verhindern. Um Gleitentladungen zu vermeiden, ist die HVI Leitung mit einem äußeren Spezialmantel ausgestattet, der es ermöglicht, hohe Blitz-Impulsspannungen gegen ein Bezugspotential ab zusteuern. Ausführung HVI Leitung (schwarz), mit innenliegendem Endverschluss und PA-Federelement im Stützrohr (Länge 3200 mm) mit Fangstange (D22 /16 / 10 mm Länge 2500 mm), Erdanschlusselement und Dreibeinstativ. Äquivalenter Trennungsabstand s = 75 cm (in Luft), s = 150 cm (fester Baustoff).

Hersteller-Seite

Artikeleigenschaften

Zolltarif-Nr.
85389099
Reach
2025-07-16 - Ja
Ursprungs-Land
DE
WEEE-Land
DE
WEEE-Nummer
11890845
Länge
5700 mm
Durchmesser
50.0 - 50.0 mm
Ausführung
Fangstange mit Stativ
Teleskopisch
Werkstoff
sonstige
Oberflächenschutz
unbehandelt
Anschluss
Rundleiter
Hochspannungsfeste isolierte Ausführung
ETIM-Klasse
Fangeinrichtung für Blitzschutz