Zajadacz EVI

Hellermann HOTKit-PVC-FR-BK(10)

Tüllenset schwarz 639-60000

Artikel
012431
Lieferanten Typ
HOT-TÜLLEN-SET
Lieferanten Artikel
639-60000

Beschreibung

HOT-Tüllen-Set Knickschutz- und Durchführungstüllen

VPE: 1 Box
Material: PVC, flammwidrig (PVC-FR)
Farbe: Schwarz (BK)
Betriebstemperatur: -30 °C bis +60 °C
Brandausbreitung: Entspricht UL94 V0
Härte Share-A: 56±5

Das praktische Sortiment für Konstruktion, Reparatur und Heimwerker-Bedarf.

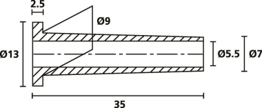
Knickschutztüllen

Typ Innendurchmesser Länge Stück im Set

HV2210 6,5 30 15
HV2213 3,5 23 20
HV2101 5,5 35 15

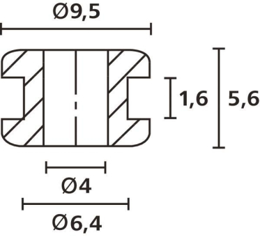
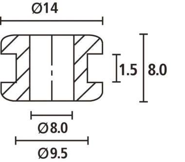
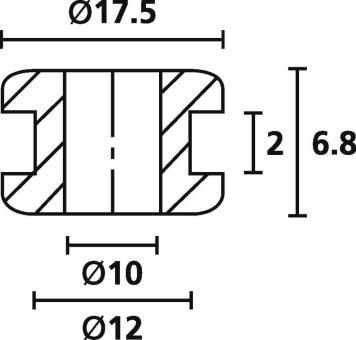
Durchführungstüllen

Typ Außen-Ø Bohrungs-Ø Durchführungs-Ø Dicke Blechdicke Stück im Set

HV1201 9,5 6,4 4 5,6 1,6 20
HV1203 17,5 12,0 10 6,8 2,0 15
HV1208 14,0 9,5 8 8,0 1,5 15

Alle Maße in mm. Technische Änderungen vorbehalten.

Hersteller-Seite

Artikeleigenschaften

Zolltarif-Nr.
39269097
Ursprungs-Land
DE
WEEE-Land
DE
WEEE-Nummer
92457933
Ausführung
geschlossen
Geeignet für Kabeldurchmesser
3.5 - 12.0 mm
Mit Zugentlastung
Schrumpftechnik
Winkelausführung
Werkstoff
Kunststoff
Werkstoffgüte
Polyvinylchlorid (PVC)
Oberflächenschutz
unbehandelt
Halogenfrei
Farbe
schwarz
Einsatztemperatur
-30 - 60 °C
ETIM-Klasse
Durchführungstülle

Oft zusammen gekauft