Zajadacz EVI

Hensel Mi-NH-Sicherungslasttrenn Mi 6621

schaltergeh. 2x3x NH00,a. S.Schiene 250A

Artikel
5492787
Lieferanten Typ
Mi 6621
Lieferanten Artikel
20001423

Beschreibung

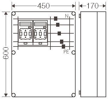
Gehäuse für den Bau von Energie-Schaltgerätekombinationen bis 630 A oder als Einzelgehäuse. Aus hochwertigem Polycarbonat schutzisoliert. Wanddurchführungen mit großen Öffnungen für die elektrische Verbindung der Gehäuse untereinander. Kabeleinführung an allen Gehäusewänden über metrische Vorprägungen oder Anbauflansche. Gehäuse zur Wandbefestigung auch über Außenlaschen oder mit Montageschienen. Gehäuse mit Sicherungslasttrennschalter NH 00, 3-polig, nach IEC 60947-3 auf Sammelschienen. Mit Zuleitungsklemmen, PE- und N-Klemmen und Berührungsschutz. Anschlussrichtung veränderbar. Deckelverschlüsse für Werkzeugbetätigung.

Hersteller-Seite

Artikeleigenschaften

Zolltarif-Nr.
85371098
Ursprungs-Land
DE
WEEE-Land
DE
WEEE-Nummer
52801221
Ausstattung des Sicherungslasttrenngehäuses
mit Sicherungslasttrennschalter
Polzahl
3
Bemessungsbetriebsstrom Ie
125 A
Max. Bemessungsbetriebsspannung Ue bei AC
800 V
Bemessungsisolationsspannung Ui
690 V
Baugröße der Sicherungseinsätze
NH00
Mit Sicherungsüberwachung
Gehäusehöhe
600 mm
Schutzart (IP)
IP65
ETIM-Klasse
Sicherungslasttrenngehäuse

Zubehör

Oft zusammen gekauft