Zajadacz EVI

Hensel PV Generatoren- Mi PV 1171

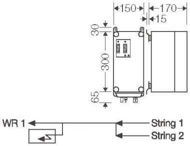
anschlusskasten m.ÜSE 2xPV zu 1xWR

Artikel
5138527
Lieferanten Typ
Mi PV 1171
Lieferanten Artikel
20001391

Beschreibung

PV-Generator-Anschlusskästen mit Überspannungsableiter Typ 1
2x PV-Strang auf 1x Wechselrichter-Eingang, 1x DC-Überspannungsableiter Typ 1+2

· anschlussfertig
· DC-Überspanungsableiter: Typ 1+2
Blitzstoßstrom DC (10/350) (DC+/DC- -) limp: 12,5 kA
Schutzpegel (DC+/DC- -> PE): < 2,5 kV
· Steckanschlüsse kompatibel zu MC4
· Klemmbereich PE: 1,5-25 mm2, Cu
· Deckelverschlüsse für Werkzeugbetätigung
· mit Außenlaschen aus Edelstahl
Bemessungsspannung: UOC STC= 1000 V d.c.
Bemessungsstrom der Schaltgerätekombination: InA= 1 x 30 A
Bemessungsstrom eines Stromkreises: Inc=15 A
RDF: 1

Hersteller-Seite

Artikeleigenschaften

Zolltarif-Nr.
85371098
Ursprungs-Land
DE
WEEE-Land
DE
WEEE-Nummer
52801221
Bestückung
sonstige
Form
sonstige
Montageart
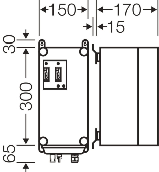
Wand-/Deckenmontage
Einführung von hinten
Länge
365 mm
Breite
150 mm
Tiefe
170 mm
Anreihbar
Art der Gehäusedurchführung
sonstige
Werkstoff
Kunststoff
Halogenfrei
Oberflächenschutz
unbehandelt
Farbe
grau
Schutzart (IP)
IP65
Deckelbefestigung
geschraubt
Plombierbar
Bemessungsisolationsspannung Ui
1000 V
Funktionserhalt
ohne
Mit Abschirmung
Witterungsbeständig
Einsatztemperatur
-5 - 40 °C
Explosionsgeprüfte Ausführung
Für Ex-Zone Gas
ohne
Für Ex-Zone Staub
ohne
ETIM-Klasse
Dose, Gehäuse für Montage auf der Wand/Decke

Zubehör

Oft zusammen gekauft