Zajadacz EVI

MAICO Axial- DZR30/4BE-EX-E

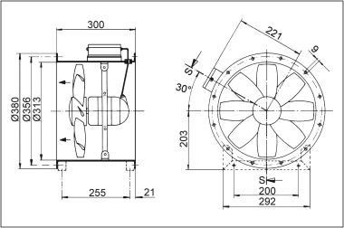
Rohrventilator Ex-Geschützt DN 300

Artikel
1334118
Lieferanten Typ
DZR 30/4 B Ex e
Lieferanten Artikel
0086.0704

Beschreibung

Produktausführung Für Einsatztemperaturen von -40 °C = Ta = +60 °C.Besondere Eigenschaften Axial-Rohrventilator, explosionsgeschützt, Medium Gas. Explosionsschutz und Zulassungen nach ATEX und IECEx. Ex II 2 G Ex eb IIB + H2 T3/T4 Gb X / Ex II 2 G Ex h IIB + H2 T3/T4 Gb X. Einsatztemperaturen abhängig von Temperaturklasse: T3 -20 °C = Ta = +60 °C, T4 -20 °C = Ta = +40 °C. Für alle Gase und Dämpfe der Ex-Gruppe IIA und IIB und zusätzlich für Wasserstoff qualifiziert. MAICO Ex-Ventilatoren erfüllen die Sicherheitsanforderungen der Europäischen Richtlinie RL 2014/34/EU für Geräte und Schutzsysteme in explosionsgefährdeten Bereichen. Für Zone 1 und 2. Zündschutzarten: e erhöhte Sicherheit und c konstruktive Sicherheit. Schutzart IP 64. Für Be- oder Entlüftung umschaltbar. Rohrhülse aus verzinktem Stahlblech, beidseitig mit Flansch Lochbild nach DIN 24155. Zur einfachen und direkten Montage in ein Rohrsystem. Einbau in jeder Lage möglich.Laufrad Axiallaufrad aus leitfähigem Kunststoff. Wuchtgüte der Motor-Laufradkombination G 6,3 nach Kategorie BV-3 gemäß ISO 14694.Förderrichtung Die Förderrichtung ist gekennzeichnet. Standard Abluftbetrieb, Förderrichtung über Motor saugend.Motor Robuster Drehstrommotor mit Kugellager, wartungsfrei. Reversierbar. Reversierbetrieb: Der Volumenstrom verringert sich um ca. 35 % bei anomaler Förderrichtung. Betriebsart S1 (Dauerbetrieb). Drehzahlregelung mit Transformator TR... möglich. Ausnahme: DZR 35/2 B Ex... Die Temperatur im Ventilatormotor wird durch Kaltleiter überwacht. Die Kaltleiter müssen an ein Auslösesystem (Sicherheitseinrichtung gemäß Richtlinie RL 2014/34/EU) angeschlossen werden, das den Ventilator bei zu hohen Temperaturen dauerhaft vom Netz trennt. Als Auslösesystem wird das MAICO-Kaltleiterauslösesystem MVS 6 oder TMS empfohlen.Elektrischer Anschluss Klemmenkasten am Ventilator montiert, Ex-geschützt, mit Kabelverschraubung.Sicherheitshinweise Ventilator bei freier Ansaugung oder Ausblasung nur in Betrieb nehmen, wenn der Berührungsschutz des Flügelrades gemäß DIN EN ISO 13857 gewährleistet ist, z. B. mit Schutzgitter SG.Artikel:DZR 30/4 B Ex e Fördervolumen: 1760 mü/h Drehzahl: 1475 1/min Laufradtyp: axial Drehzahlsteuerbar: ja Reversierbarkeit: ja Spannungsart: Drehstrom Bemessungsspannung: 400 V Netzfrequenz: 50 Hz Nennleistung: 95 W cosphi: 0,28 INenn: 0,48 A Imax bei UNenn: 0,49 A Schutzart: IP 64 Wärmeklasse: F Einbaulage: senkrecht / waagerecht Material: Stahlblech, verzinkt Material Gehäuse: Stahlblech, verzinkt Farbe: verzinkt Gewicht: 9,47 kg Gewicht mit Verpackung: 10,39 kg Nennweite: 300 mm Breite: 424 mm Höhe: 424 mm Tiefe: 300 mm Breite mit Verpackung: 425 mm Höhe mit Verpackung: 430 mm Tiefe mit Verpackung: 330 mm EX-Bezeichnung nach ATEX-Richtlinie: Ex II 2 G EX-Bezeichnung nach Norm: Ex eb IIB + H2 T3 Gb / Ex h IIB + H2 T3 Gb Ta-Umgebungstemperatur: -40 °C = Ta = +60 °C IA/IN: 3,4 Zeit tA: 170 sek Betriebsart: S1 PTC DIN 44082: M 130 EG-Baumusterprüfbescheinigung: TÜV-A 19 ATEX0103 X, IECEx EPS 19.0019X Temperaturklasse: T3 Wärmeklasse von Isolierstoffen Th. Cl.: 155 (F)

Hersteller-Seite

Artikeleigenschaften

Zolltarif-Nr.
84145925
Ursprungs-Land
DE
WEEE-Land
DE
WEEE-Nummer
78107228
Nennspannung
0 - 400 V
Frequenz
0 - 50 Hz
Leistungsaufnahme
95 kW
Werkstoff des Gehäuses
Stahl
Luftmenge unbelastet
1760 cbm/h
Mediumtemperatur
-20 - 40 °C
Schutzart (IP)
IP64
Kanalbreite
424 mm
Kanalhöhe
424 mm
Einbaulage
Rohr
Für Ex-Zone Gas
1, 2
Explosionsschutz-Kategorie für Gas
ATEX Gas-Ex-Schutz, Kat. 2G
Temperaturklasse nach Richtlinie 94/9/EG
T3
ETIM-Klasse
Explosionsgeschützter Ventilator

Zubehör

Oft zusammen gekauft