MAICO Axial-Wandventilator DZQ50/4B

Artikel
1334084
Lieferanten Typ
DZQ 50/4 B
Lieferanten Artikel
0083.0062

Beschreibung

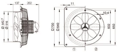
Drehstrom-Ausführung: Axial-Wandventilator mit quadratischer Wandplatte, in Drehstromausführung. Kurzbeschreibung: Zur Aufputzmontage. Schutzgitter auf der Saugseite, Berührungsschutz gemäß DIN EN ISO 13857. 8-blättrige Flügelräder aus glasfaserverstärktem Polyamid. Thermischer Überlastungsschutz serienmäßig. Ventilatoren erfüllen die Anforderungen der europäischen Ökodesign Verordnung (EG) Nr.327/2011 Richtlinie 2009/125/EG. Vibrationsfreier Lauf durch dynamisch gewuchtetes Flügelrad und Motor (Welle-Rotor), gemäß Gütestufe 6.3, DIN ISO 1940, Teil 1. Hoher lüftungsseitiger Wirkungsgrad, niedriges Betriebsgeräusch. Erhöhte Langlebigkeit durch qualitativ hochwertige Materialien wie geräuscharme Kugellager. Ventilatoren sind wartungsfrei. Einbau zur Be- und Entlüftung in jeder Lage möglich. Förderrichtung: Die Förderrichtung ist gekennzeichnet. Standard Abluftbetrieb, Förderrichtung über Motor saugend. Drehstrommotor: Typenreihen DZQ/DZS. Asynchronmotor. Nicht zur Förderung wasserdampfgesättigter Luft geeignet. Bemessungsspannung 400 V, 50 Hz. Schutzart IP 55. Ausnahme bei Typ DZQ ... D IP 54. Drehzahlsteuerbar. Ausnahme bei Typ DZQ 40/2 B und DZS 40/2 B. Geräte lassen sich mit einem optionalen 5-Stufentransformator stufenweise schalten. Reversierbar. Reversierbetrieb: Der Volumenstrom verringert sich um ca. 35 % bei anormaler Förderrichtung. Thermischer Überlastungsschutz serienmäßig. Ausnahme bei Typ DZQ/DZS 25/4 D und polumschaltbaren Axial-Wandventilatoren auf Anfrage erhältlich. Die Anschlüsse sind potenzialfrei auf Klemmen geführt und müssen an einen Motorvollschutzschalter z.B. MV 25-1 oder den Steuerstromkreis eines Schützes angeschlossen werden. Polumschaltbare Ventilatoren: Überlastungsschutz mit bauseitig zu beschaffendem Motorvollschutzschalter gewährleisten. Polumschaltbare Motoren mit den Drehzahlverhältnissen 8/4 oder 4/2 sind im Dahlanderprinzip geschaltet. Elektrischer Anschluss: An Klemmleiste im Abschlussdeckel des Motors. Sicherheitshinweise: Der Ventilator darf nur in Betrieb genommen werden, wenn der Berührungsschutz des Laufrades gemäß DIN EN ISO 13857 gewährleistet ist z.B. mit Maico Schutzgitter SG.Artikel: DZQ 50/4 B, Ausführung: Quadratische Wandplatte, Fördervolumen: 8700 m3/h, FördervolumenNenn: 6310 m3/h / im opt. Wirkungsgrad, Druck pfs, Nenn: 135 Pa - im opt. Wirkungsgrad, Drehzahl nNenn: 1410 1/min - im opt. Wirkungsgrad, Drehzahl: 1438 1/min, Laufradtyp: axial, Drehzahlsteuerbar: ja, Reversierbarkeit: ja, Spannungsart: Drehstrom, Bemessungsspannung: 400 V, Netzfrequenz: 50 Hz, Nennleistung: 615 W / im opt. Wirkungsgrad, INenn: 1,1 A / im opt. Wirkungsgrad, IMax: 1,6 A, Schutzart: IP 55, Wärmeklasse: F, Polumschaltbar: nein, Netzzuleitung: 7 / 1,5 mm2, Einbauort: Wand / Decke, Einbauart: Aufputz, Einbaulage: waagerecht / senkrecht, Material: Stahlblech, verzinkt, Farbe: silber, Gewicht: 18,55 kg, Gewicht mit Verpackung: 22,32 kg, Nennweite: 500 mm, Breite: 700 mm, Höhe: 700 mm, Tiefe: 339 mm, Breite mit Verpackung: 730 mm, Höhe mit Verpackung: 730 mm, Tiefe mit Verpackung: 400 mm, Fördermitteltemperatur bei Nennstrom: 60 °C, Fördermitteltemperatur bei IMax: -20 °C bis 60 °C, Gesamteffizienz e: 38,5 %, Messkategorie: A, Effizienzkategorie: statisch, Effizienzgrad N: 46,1, VSD erforderlich: nein, Herstellungsjahr: siehe Typenschild, Herstellername / Amtliche Registriernummer / Niederlassungsort des Herstellers: Maico Elektroapparate-Fabrik GmbH / Registergericht Freiburg, HRB 601233 / Villingen-Schwenningen, PBEP / FördervolumenBEP / Pfs, BEP: 0,615 kW / 6310 m3/h / 135 Pa, nBEP: 1410 1/min, spezifisches Verhältnis: ca. 1, Informationen zur Zerlegung und Entsorgung: siehe Montageanleitung, Informationen zu Einbau, Betrieb und Instandhaltung: siehe Montageanleitung, Verwendete Gegenstände bei der Effizienz-Messung, die nicht durch die Messkategorie beschrieben sind: -, SchallleistungspegelLWA7: 82 dB(A), Verschlussklappe: ohne

Hersteller-Seite

Artikeleigenschaften

Zolltarif-Nr.
84145925
Ursprungs-Land
DE
WEEE-Land
DE
WEEE-Nummer
78107228
Netzfrequenz
50 Hz
Bemessungsspannung
400 V
Volumenstrom
8700 cbm/h
Drehzahl
1438 1/min
Schutzart (IP)
IP55
Ausführung
Be- und Entlüftung
Nennweite
500 mm
Verschlussklappe
ohne
ETIM-Klasse
Wandventilator für Industrie und Gewerbe