Zajadacz EVI

MAICO Halbr.-Rohrventilator ERM25E-EX-E

Explosionsgeschützt

Artikel
180685
Lieferanten Typ
ERM 25 Ex e
Lieferanten Artikel
0080.0249

Beschreibung

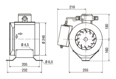
Explosionsgeschützte Wechselstrom-Halbradial-Rohrventilatoren ERM Ex e

Halbradial-Rohrventilator, explosionsgeschützt, Medium Gas. Explosionsschutz und Zulassungen nach ATEX und IECEx. Ex II 2G Ex eb IIB+H2 T4 Gb/Ex II 2G Ex h IIB+H2 T4 Gb. Für Einsatztemperaturen von -20 °C ≤ Ta ≤ +50 °C. Geeignet für die Temperaturklasse T1 bis T4 (135°C). Für alle Gase und Dämpfe der Ex-Gruppe IIA und IIB und zusätzlich für Wasserstoff qualifiziert. MAICO Ex-Ventilatoren erfüllen die Sicherheitsanforderungen der Europäischen Richtlinie RL 2014/34/EU für Geräte und Schutzsysteme in explosionsgefährdeten Bereichen. Für Zone 1 und 2. Zündschutzarten: ·e“ - erhöhte Sicherheit und ·c“ - konstruktive Sicherheit. Schutzart IP64. Wechselstrom 230 V, 50 Hz.

Motor-Vollschutzschalter MVEx siehe Seite 20/15
Als Zubehör zu den Halbradial-Rohrventilatoren ERM und ERM Ex e sind Reduzierstücke, elastische Manschetten Schutzgitter und Befestigungsfüße lieferbar (siehe auch Herstellerkatalog).

Hersteller-Seite

Artikeleigenschaften

Zolltarif-Nr.
84145995
Ursprungs-Land
DE
WEEE-Land
DE
WEEE-Nummer
78107228
Nennspannung
0 - 230 V
Frequenz
0 - 50 Hz
Leistungsaufnahme
0,3 kW
Werkstoff des Gehäuses
Stahl
Luftmenge unbelastet
870 cbm/h
Mediumtemperatur
-20 - 50 °C
Schutzart (IP)
IP64
Kanalbreite
340 mm
Einbaulage
Rohr
Für Ex-Zone Gas
1, 2
Explosionsschutz-Kategorie für Gas
ATEX Gas-Ex-Schutz, Kat. 2G
Temperaturklasse nach Richtlinie 94/9/EG
T3
ETIM-Klasse
Explosionsgeschützter Ventilator