Zajadacz EVI

MAICO Wandventilator DZQ50/84B

Artikel
180806
Lieferanten Typ
DZQ 50/84 B
Lieferanten Artikel
0083.0160

Beschreibung

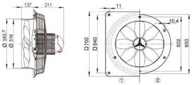
Schutzgitter auf der Saugseite, gelb chromatiert, Berührungsschutz gemäß DIN EN ISO 13857. 8-blättrige Flügelräder aus glasfaserverstärktem Polyamid. Dynamisch gewuchtet in 2 Ebenen, gemäß Gütestufe 6.3, DIN ISO 1940, Teil 1. Einbau in jeder Lage möglich. Förderrichtung: Nachfolgende Abbildung zeigt die Förderrichtung: , Förderrichtung A: Über den Motor saugend, Standard. Förderrichtung B: Über den Motor blasend, auf Anfrage. Drehrichtung, Reversierbetrieb: Der Volumenstrom verringert sich um ca. 35 % bei anormaler Förderrichtung. Motor: Asynchronmotor. Drehzahlsteuerbar. Ausnahme: Typ EZQ 45/6 B, EZS 45/6 B, DZQ 40/2 B und DZS 40/2 B. Reversierbar. Ausnahme: Ventilatoren mit Spaltpolmotor (...-E). Nicht zur Förderung wasserdampfgesättigter Luft geeignet. Drehstrommotor: Typenreihen DZQ und DZS. Bemessungsspannung 400 V, 50 Hz. Schutzart IP 55. Ausnahme DZQ/DZS... D IP 54. Thermischer Überlastungsschutz serienmäßig. Ausnahme: Bei DZQ/DZS 25/4 D und polumschaltbaren Axial-Wandventilatoren auf Anfrage erhältlich. Die Anschlüsse sind potenzialfrei auf Klemmen geführt und müssen an einen Motorvollschutzschalter z.B. MV 25 oder den Steuerstromkreis eines Schützes angeschlossen werden. Polumschaltbare Ventilatoren: Überlastungsschutz mit bauseitig zu beschaffendem Motorvollschutzschalter gewährleisten. Polumschaltbare Motoren mit den Drehzahlverhältnissen 8/4 oder 4/2 sind im Dahlanderprinzip geschaltet. Elektrischer Anschluss: An Klemmleiste im Abschlussdeckel des Motors. Sicherheitshinweise: Der Ventilator darf nur in Betrieb genommen werden, wenn der Berührungsschutz des Laufrades gemäß DIN EN ISO 13857 gewährleistet ist.Artikel: DZQ 50/84 B, Ausführung: Quadratische Wandplatte, Fördervolumen: 4370 m3/h / 8890 m3/h, FördervolumenNenn: 3040 m3/h / 6600 m3/h / im opt. Wirkungsgrad, Druck pfs, Nenn: 38 Pa - 145 Pa - im opt. Wirkungsgrad, Drehzahl nNenn: 730 1/min - 1460 1/min - im opt. Wirkungsgrad, Drehzahl: 735 1/min / 1473 1/min, Laufradtyp: axial, Drehzahlsteuerbar: ja, Reversierbarkeit: ja, Spannungsart: Drehstrom, Bemessungsspannung: 400 V, Netzfrequenz: 50 Hz, Nennleistung: 140 W / 695 W / im opt. Wirkungsgrad, INenn: 0,5 A / 1,4 A / im opt. Wirkungsgrad, IMax: 2 A, Schutzart: IP 55, Wärmeklasse: F, Polumschaltbar: ja, Polanzahl bei hoher Drehzahl: 4, Polanzahl bei niedriger Drehzahl: 8, Netzzuleitung: 5 / 1,5 mm2, Einbauort: Wand / Decke, Einbauart: Aufputz, Einbaulage: waagerecht / senkrecht, Material: Stahlblech, verzinkt, Gewicht: 23,6 kg, Nennweite: 500 mm, Breite: 700 mm, Höhe: 700 mm, Tiefe: 348 mm, Fördermitteltemperatur bei Nennstrom: 60 °C, Fördermitteltemperatur bei IMax: -20 °C bis 60 °C, Verpackungseinheit: 1 Stück, Gesamteffizienz ?: 38,2 %, Messkategorie: A, Effizienzkategorie: statisch, Effizienzgrad N: 45,6, VSD erforderlich: nein, Herstellungsjahr: siehe Typenschild, Herstellername / Amtliche Registriernummer / Niederlassungsort des Herstellers: Maico Elektroapparate-Fabrik GmbH / Registergericht Freiburg, HRB 601233 / Villingen-Schwenningen, PBEP / FördervolumenBEP / Pfs, BEP: 0,695 kW / 6600 m3/h / 145 Pa, nBEP: 1460 1/min, spezifisches Verhältnis: ? 1, Informationen zur Zerlegung und Entsorgung: siehe Montageanleitung, Informationen zu Einbau, Betrieb und Instandhaltung: siehe Montageanleitung, Verwendete Gegenstände bei der Effizienz-Messung, die nicht durch die Messkategorie beschrieben sind: -, SchallleistungspegelLWA7: 65 dB(A) / 82 dB(A)

Hersteller-Seite

Artikeleigenschaften

Zolltarif-Nr.
84145925
Ursprungs-Land
DE
WEEE-Land
DE
WEEE-Nummer
78107228
Netzfrequenz
50 Hz
Bemessungsspannung
400 V
Volumenstrom
4370 cbm/h
Drehzahl
735 1/min
Schutzart (IP)
IP55
Ausführung
Be- und Entlüftung
Nennweite
500 mm
Verschlussklappe
ohne
ETIM-Klasse
Wandventilator für Industrie und Gewerbe