Zajadacz EVI

Maico Ausbau-Set ALD 125 ZLV 80 dB A-Set

0152.0096

Artikel
7268920
Lieferanten Typ
ALD 125 ZLV 80 dB A-
Lieferanten Artikel
0152.0096

Beschreibung

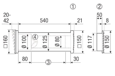
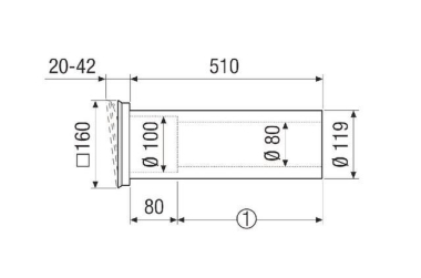
Außenluftdurchlass ALD 125 ZLV 80 dB A-Set

Ausbau-Set (A-Set) ergänzt die vormontierte Rohbauhülse RH 125 und besteht aus der raumseitigen Innenblende im diskreten Design mit Standardfilter und dem Schalldämmrohr. Das Außengitter ist separat zu bestellen: Außengitter ALD 125 AK, ALD 125 AE oder Laibungselement ALD 125 LE.
ALD 125 ZLV 80 dB A-Set, bestehend aus:
· Innenblende, Material ABS-Kunststoff, Farbe weiß, ähnlich RAL 9003; Standardfilter ISO Coarse 30 % (G2).
· Schalldämmrohr (Material PU) Ø Innen 80 mm, (passend für Rohbauhülse RH 125).

Technische Daten:
· Max. Volumenstrom: 17 m3/h/25 m3/h/27 m3/h/40 m3/h/bei 4 Pa/bei 8 Pa/bei 10 Pa/bei 20 Pa
· Material Gehäuse: Kunststoff
· Umgebungstemperatur 60°C

Hersteller-Seite

Artikeleigenschaften

Zolltarif-Nr.
84818079
Ursprungs-Land
DE
WEEE-Land
DE
WEEE-Nummer
78107228
Werkstoff
Kunststoff
Form
quadratisch
Nenndurchmesser Kanal Anschluss
125 mm
Frontdurchmesser
125 mm
Frontbreite
160 mm
Frontlänge
160 mm
Einbautiefe
20 mm
Luftzufuhrventil
Abluftventil
Mit Volumeneinstellung
Farbe
weiß
RAL-Nummer
9010
Kapazität
27 cbm/h
Selbstregulierend
Zweifach verstellbar
Bedienung zweifach verstellbar
manuelle Bedienung
Hoch induzierend
Mit Filter
Beschränktes Abluftmuster
ETIM-Klasse
Luftdurchlassventil

Zubehör

Oft zusammen gekauft