Maico Radialgebläse aus GRK R 31/4 E

Kunststoff m.rundem Ausblas 0073.0510

Artikel
6997382
Lieferanten Typ
GRK R 31/4 E
Lieferanten Artikel
0073.0510

Beschreibung

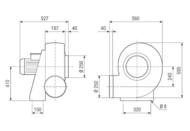
Merkmale - Radialgebläse mit Spiralgehäuse aus Kunststoff Polyethylen. - Druckstarker Ventilator für industrielle Anwendungen. - Geeignet zur Förderung von korrosiven und säurehaltigen Medien. - Zur einfachen und direkten Montage an einem Rohrsystem. - Geringer Geräuschpegel und hoher Wirkungsgrad. - Der Motor befindet sich außerhalb des Luftstroms. - Geeignet für Temperaturbereiche von -15 °C bis +70 °C. - Radiallaufräder mit rückwärtsgekrümmten Schaufeln aus Polypropylen. - Standardausrichtung für Gehäuse LG 270°. - Das Gehäuse ist bei Bedarf in 45° Schritten bestellbar. - Der Motorsockel aus epoxidbeschichtetem Stahlblech, zur Befestigung des Ventilators, ist im Lieferumfang enthalten. Wechselstrommotor - Einphasen Wechselstrommotor. - Schutzklasse IP 55. - IE3 Motor. - Betriebsart S1 (Dauerbetrieb). - Die Temperatur im Ventilatormotor wird durch Kaltleiter überwacht. Die Kaltleiter müssen an ein Auslösesystem angeschlossen werden, das den Ventilator bei zu hohen Temperaturen dauerhaft vom Netz trennt. Elektrischer Anschluss - Anschluss im Klemmkasten am Motor. Artikel: GRK R 31/4 E - Fördervolumen: 2250 m3/h - Drehzahl: 1440 1/min - Laufradtyp: radial - Drehzahlsteuerbar: nein - Reversierbarkeit: nein - Spannungsart: Wechselstrom - Bemessungsspannung: 230 V - Netzfrequenz: 50 Hz - Nennleistung: 240 W - INenn: 1,9 A - Schutzart: IP 55 - Wärmeklasse: F - Polumschaltbar: nein - Einbauort: Rohranschluss - Einbaulage: horizontal - Material Gehäuse: Kunststoff, Polyethylen - Material Laufrad: Kunststoff, Polyethylen - Farbe: hellgrau - Gewicht: 45 kg - Gewicht mit Verpackung: 68 kg - Baugröße: 310 - Breite: 527 mm - Höhe: 640 mm - Tiefe: 560 mm - Breite mit Verpackung: 1200 mm - Höhe mit Verpackung: 800 mm - Tiefe mit Verpackung: 790 mm - Fördermitteltemperatur bei IMax: -15 °C bis 70 °C - PTC DIN 44082: M 100

Hersteller-Seite

Artikeleigenschaften

Zolltarif-Nr.
84145935
Ursprungs-Land
IT
WEEE-Land
DE
WEEE-Nummer
78107228
Werkstoff des Gehäuses
Kunststoff
Luftmenge unbelastet
2250 cbm/h
Anschlussspannung
400 V
Leistungsaufnahme
0,25 kW
Gleichstrommotor
Indirekter Antrieb
Elektrischer Anschluss
Anschlussklemmen
Schutzart (IP)
IP55
Max. Lufttemperatur
70 °C
Motor mit 2 Drehzahlen
Geeignet für elektronische Steuerung
Geeignet für Frequenzregelung
Geeignet für Schwachstromregelung
Geeignet für Traforegelung
Polumschaltbar
Kanaldurchmesser
315 mm
Anschluss
Flansch
ETIM-Klasse
Ventilator für Rohreinbau