Zajadacz EVI

NIED Eklips-Bf.-Zubehör UM-26

Artikel
318424
Lieferanten Typ
UM-26
Lieferanten Artikel
UM-26

Beschreibung

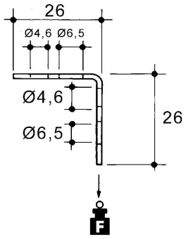
Anschraubwinkel, gleichschenklig, zum Anschluss an Wand und Decke, für Seil- und Kettenabhängung. Abmessungen (ca. Maße) Höhe H x Breite B : 26 x 26 mm Befestigungslochungen je Schenkel : 1 x Ø 4,6 mm und 1 x Ø 6,5 mm Tragfähigkeit F : 0,9 kN Werkstoff : Stahl, tauchfeuerverzinkt

Hersteller-Seite

Artikeleigenschaften

Zolltarif-Nr.
73269096
Ursprungs-Land
DE
Befestigungsart
schrauben
Anschlussart/-bauteil
Kette
Scharnierend
Scharnier justierbar
Werkstoff
Stahl
Werkstoffgüte
sonstige
Oberflächenschutz
galvanisch/elektrolytisch verzinkt
ETIM-Klasse
Befestigungsklammer

Oft zusammen gekauft