Zajadacz EVI

NIED Gitterrinnen GTMB 65 E3

Montagebügel Edelstahl, Werkstoff-Nr.:

Artikel
3901065
Lieferanten Typ
GTMB 65 E3
Lieferanten Artikel
4013339058181

Beschreibung

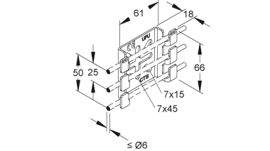
Gitterrinnen-Montagebügel, zur schraubenlosen Wandmontage (Einhängen) der Gitterinnen mit einer Breite = 100 mm und mind. zwei seitlichen Längsdrähten mit einem mittigen Abstand von 25 mm bzw. 50 mm, zur mittigen Gewindestababhängung von Gitterrinnen bis zu einer Breite = 300 mm und mind. zwei Längsdrähten im Boden mit einem mittigen Abstand von 25 mm bzw. 50 mm sowie zum Anbau von Verteiler- und Abzweigdosen. Verwendung für : Gitterrinnen mit Draht-Ø = 6 mm Verwendung Wandbefestigung : MTC 54.050 - ... .100 MTC 105.100 MTS 54.100 MTS 105.100 MTCG 50.100 Verwendung mittige Abhängung : MTC 54.100 - ... .300 MTC 105.100 - ... .300 MTS 54.100 - ... .300 MTS 105.100 - ... .300 MTCG 50.100 Abmessungen (ca. Maße) Höhe H x Breite B x Tiefe T : 66 x 61 x 18 mm Befestigungslochung : 7 x 15 mm 7 x 45 mm kreuzend Werkstoff : Edelstahl, Werkstoff Nr. 1.4301, AISI 304

Hersteller-Seite

Artikeleigenschaften

Zolltarif-Nr.
73089059
Ursprungs-Land
FR
Werkstoff
rostfreier Stahl
Rostfreier Stahl, gebeizt
Werkstoffgüte
rost- und säurebeständiger Stahl
Oberflächenschutz
sonstige
Einsatztemperatur
-20 - 120 °C
ETIM-Klasse
Montagematerial für Kabeltragsystem