Zajadacz EVI

NIED Niedax KUGPK5050 KUGPK 5050

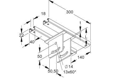
Klemmkopfplatte für Profil U 5050,

Artikel
1899778
Lieferanten Typ
KUGPK 5050
Lieferanten Artikel
4013339195657

Beschreibung

Klemmkopfplatte, zwei Schienenprofile mit angeschweißter Kopfplatte mit zwei Anschlussplatten mit einem vertikalen Verstellbereich von max. +/- 30°, zur Klemmbefestigung für horizontal geneigte Trägerprofile mit Trägerflanschbreiten von max. 240 mm, für Kabeltrassenverläufe kreuzend zum Träger, einschließlich feuerverzinkten anteilmäßigem Befestigungszubehör, erforderliches Klemmzubehör an Trägerprofile wie 4 x HSK... und 4 x HK 510/... F bitte gesondert bestellen. für Profil : U 5050/... Abmessungen (ca. Maße) Schienenprofil L x B x H : 300 x 40 x 22 mm Profilschlitzweite : 18 mm Anschlussplattenlochung : Ø 14 mm und 13 mm x 60° mittiger Abstand : 50 mm Gesamtlänge L (ohne Schienenhöhe) : 112 mm Werkstoff : Stahl, tauchfeuerverzinkt nach DIN EN ISO 1461 Deckenträger-Kurzzeichen nach DIN : [Kundenangabe erforderlich]

Hersteller-Seite

Artikeleigenschaften

Zolltarif-Nr.
73089059
Ursprungs-Land
DE
Geeignet für
U-Profil
Geeignet für Deckenmontage
Geeignet für Konsolenbefestigung
Ausführung
Klemmkopfplatte
Winkel
90 - 90 °
Werkstoff
Stahl
Werkstoffgüte
sonstige
Oberflächenschutz
feuerverzinkt
ETIM-Klasse
Kopfplatte für Stiel/Profilschiene