Zajadacz EVI

Niedax Hängestiel HU 5050/900 E5

U-Profil 50x50x905mm Est Werkstoff-Nr.:1

Artikel
6339013
Lieferanten Typ
HU 5050/900 E5
Lieferanten Artikel
HU5050/900E5

Beschreibung

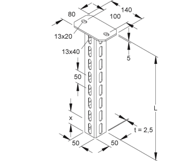
Hängestiel, 3-seitig durchgehend gelochtes U-Profil mit angeschweißter Kopfplatte, System HU 5050/..., für Ausleger zur ein-/zwei- und dreiseitigen Verlegung, um die Verformung des Hängestielprofils bei der Montage von Ausleger zu verhindern, ist aus statischen Gründen das Hängestiel-Distanzprofil HDS 50.50 E5 mit Sechskantschraube zu berücksichtigen, bei einer einseitigen Befestigung des Auslegers am Hängestielprofil ist bevorzugt die geschlossene Seite des Auslegers fluchtend mit dem Profilsteg des Hängestiels anzubringen. Aus statischen Gründen und um ein problemloses Aufsetzen der Schutzkappe zu ermöglichen, muss der Ausleger im Abstand von x=50 mm (Auslegerunterkante bis Hängestielende), oberhalb des Hängestielendes montiert werden. Zur Verwendung im Funktionserhalt bitte Zusatzvorschriften beachten! VDE zertifiziert! Verwendung für : Ausleger KTAM... E5 KTA... E5 Abmessungen (ca. Maße) Kopfplatte L x B x t : 140 x 80 x 5 mm Befestigungslochung : 13 x 20 mm mittiger Abstand : 100 mm U-Profil : 50 x 50 x 50 mm Materialstärke t : 2,5 mm dreiseitige Profillochung, einreihig : 12 x 30 mm mittiger Abstand : 50 mm Gesamtlänge L : 905 mm Werkstoff : Edelstahl, Werkstoff Nr. 1.4571, AISI 316Ti

Hersteller-Seite

Artikeleigenschaften

Zolltarif-Nr.
73089059
Ursprungs-Land
DE
Länge
905 mm
Profilbreite
50 mm
Profilhöhe
50 mm
Ausführung
U-Profil
Tragfähigkeit
4 kN
Geeignet für Funktionserhalt
Werkstoff
rostfreier Stahl
Rostfreier Stahl, gebeizt
Werkstoffgüte
Edelstahl 316 (V4A)
Oberflächenschutz
sonstige
Einsatztemperatur
-20 - 120 °C
Gewicht
2,43203 kg
ETIM-Klasse
Hängestiel für Kabeltragsystem

Oft zusammen gekauft