Zajadacz EVI

Niedax Weitspannträgerklemme WTK 150 S

Stahl bandvzkt 10346 u.Zub.

Artikel
5384251
Lieferanten Typ
WTK 150 S
Lieferanten Artikel
4013339153725

Beschreibung

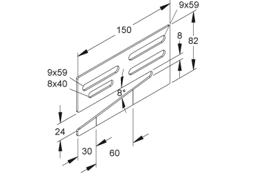
Weitspannträgerklemme, zur Klemmbefestigung von Kabelrinnen, Kabel- und Steigeleitern, Weitspannkabelrinnen und -leitern an waagerecht kreuzenden Tägern, eine versetzt angeordnete Anordnung der Klemme verhindert eine Bewegung in Längsrichtung während der Montage, zwei Kerbstellen am Klemmschenkel ermöglichen eine Anpassung des Schenkels an kürzere Trägerflansche, einschließlich galvanisch verzinktes Befestigungszubehör für Kabelrinnen 2 FLM 6X12 V sowie feuerverzinktes Befestigungszubehör für Kabel- und Steigeleitern und Weitspannkabelrinnen /-leitern 2 FLM 8X13 F. Verwendung für : Kabelrinnen RL ... / RLU ... RLV ... RLCI ... RS .... / RSU ... RLC ... / RLUC ... RLCPV ... Verwendung für : Kabel- und Steigeleitern KSL ... Verwendung für : Weitspannkabelrinnen WRL ... WRLM ... WRU ... Verwendung für : Weitspannkabelleitern WSLM ... WSLS ... Abmessungen (ca. Maße) Höhe H x Breite B x Materialstärke t : 82 x 150 x 2 mm Flanschstärke des Trägers t : 8 - 22 mm Werkstoff : Stahl, bandverzinkt nach DIN EN 10346

Hersteller-Seite

Artikeleigenschaften

Zolltarif-Nr.
73089059
Ursprungs-Land
DE
Befestigungsart
klemmen
Anschlussart/-bauteil
Loch
Geeignet für Flanschstärke
8 - 22 mm
Scharnierend
Scharnier justierbar
Werkstoff
Stahl
Werkstoffgüte
sonstige
Oberflächenschutz
bandverzinkt
ETIM-Klasse
Befestigungsklammer