Zajadacz EVI

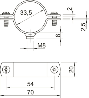
OBO 2900WM8 33.5 FT Abstandschelle

m.Gewindeanschluss M8 1 St FT 1387065

Artikel
231574
Lieferanten Typ
2900WM8 33.5 FT
Lieferanten Artikel
1387065

Beschreibung

Aufschraubbar auf Gewinde M8. Die Größe 27 FT ist geeignet für M25. Die Größe 42.5 FT ist geeignet für M40. Die Größe 48.5 FT ist geeignet für M50. Die Größe 60 FT ist geeignet für M63.

Hersteller-Seite

Artikeleigenschaften

Zolltarif-Nr.
73269060
Ursprungs-Land
HU
WEEE-Land
DE
WEEE-Nummer
64419409
Durchmesser
30.5 - 33.5 mm
Ausführung
geschlossen
Befestigungsart
Schraubloch
Werkstoff
Stahl
Oberflächenschutz
feuerverzinkt
Halogenfrei
Geeignet im Brandschutzbereich
Kunststoffummantelt
ETIM-Klasse
Befestigungsschelle für Kabel/Rohre

Artikelinformationen vom Hersteller