Zajadacz EVI

OBO 822 18 A4 Befestigungsschelle

einlappig 19mm A4 1.4571 2B 1013881

Artikel
3803146
Lieferanten Typ
822 18 A4
Lieferanten Artikel
1013881

Beschreibung

Befestigungsschellen, schwer V4A
V4A Edelstahl, rostfrei 1.4571
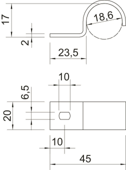
Einlappige Befestigungschelle für Kabel und Rohre
Kabel-Ø: 18,6 mm, PG11

Hersteller-Seite

Artikeleigenschaften

Zolltarif-Nr.
73269060
Ursprungs-Land
HU
WEEE-Land
DE
WEEE-Nummer
64419409
Nenndurchmesser
18,6 mm
Anzahl der Kabel/Rohre
1
Mit Abstand zur Wand
Ausführung
einlappig
Befestigungsart
Schraubloch
Werkstoff
rostfreier Stahl
Werkstoffgüte
Edelstahl 316 (V4A)
Oberflächenschutz
unbehandelt
Halogenfrei
Geeignet im Brandschutzbereich
Kunststoffummantelt
ETIM-Klasse
Befestigungsschelle für Kabel/Rohre

Artikelinformationen vom Hersteller