Zajadacz EVI

OBO 2900 M6 24-29 G Abstandschelle

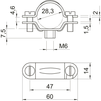
m.Gewindeanschluss M6 24-29mm St 1383213

Artikel
131355
Lieferanten Typ
2900 M6 24-29 G
Lieferanten Artikel
1383213

Beschreibung

Schraub-Abstandschellen 2900

mit M 6-Gewinde
G Stahl, galvanisch verzinkt

Hersteller-Seite

Artikeleigenschaften

Zolltarif-Nr.
73269060
Ursprungs-Land
HU
WEEE-Land
DE
WEEE-Nummer
64419409
Durchmesser
24 - 29 mm
Ausführung
geschlossen
Befestigungsart
Schraubloch
Werkstoff
Stahl
Oberflächenschutz
galvanisch/elektrolytisch verzinkt
Halogenfrei
Kunststoffummantelt
ETIM-Klasse
Befestigungsschelle für Kabel/Rohre

Artikelinformationen vom Hersteller