Zajadacz EVI

OBO SV40W ALU Aluminiumverbindungsmuffe

o.Gewinde 40mm Alu 2046026

Artikel
3823121
Lieferanten Typ
SV40W ALU
Lieferanten Artikel
2046026

Beschreibung

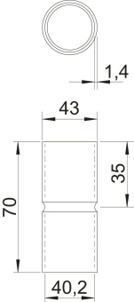
Zubehörteil: Steckmuffe, für die Verbindungen zwischen Elektroinstallationsrohren. Mit gratfreier Innenwand.

Hersteller-Seite

Artikeleigenschaften

Zolltarif-Nr.
76090000
ISO 50001 Zertifizierung
ISO 14001 Zertifizierung
Ursprungs-Land
FI
WEEE-Land
DE
WEEE-Nummer
64419409
Werkstoff
Metall
Werkstoffgüte
Aluminium
Oberfläche poliert
Oberfläche gebürstet
Halogenfrei
Ausführung
Steckanschluss
Zweiteilig
Mit Inspektionsöffnung und Deckel
ETIM-Klasse
Muffe für Installationsrohre

Artikelinformationen vom Hersteller

Oft zusammen gekauft