Zajadacz EVI

OBO BSKD-W1021 Trennwinkel

f.BSKD09-K1021/BSKD12-K1021 7215327

Artikel
6917725
Lieferanten Typ
BSKD-W1021
Lieferanten Artikel
7215327

Beschreibung

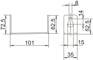
Trennwinkel als Installationshilfe zur Kabelverlegung bei Wandmontage des Brandschutzkanals Typ BSKD09-K1021 und Typ BSKD12-K1021. Montage des Winkels direkt an den Befestigungsdübeln des Brandschutzkanals.

Hersteller-Seite

Artikeleigenschaften

Zolltarif-Nr.
73089059
ISO 50001 Zertifizierung
ISO 14001 Zertifizierung
Ursprungs-Land
HU
WEEE-Land
DE
WEEE-Nummer
64419409
Kanalhöhe innen
105 mm
Kanalbreite innen
210 mm
Werkstoff
Stahl
Befestigungsart
schraubbar
ETIM-Klasse
Kabelhalteklammer für Brandschutzkanal

Artikelinformationen vom Hersteller

Oft zusammen gekauft