Zajadacz EVI

OBO LGVG 110 FT Gelenkverbinder

f.Kabelleiter 114x360 St FT 6216653

Artikel
2579953
Lieferanten Typ
LGVG 110 FT
Lieferanten Artikel
6216653

Beschreibung

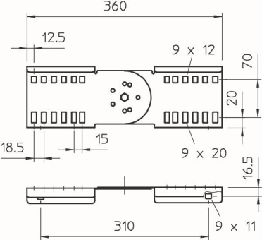
Gelenkverbinder als Außenverbinder zur Verbindung von Kabelleitern und Formteilen mit 110 mm Seitenhöhe und durchgängiger Holmlochung. Winkel vertikal verstellbar.

Hersteller-Seite

Artikeleigenschaften

Zolltarif-Nr.
73089059
ISO 50001 Zertifizierung
ISO 14001 Zertifizierung
Ursprungs-Land
HU
WEEE-Land
DE
WEEE-Nummer
64419409
Ausführung
Längs- und Winkelverbinder
Gelenkverbinder horizontal
Gelenkverbinder vertikal
Art der Verbindung
Schraubverbinder
Geeignet für Gitterrinne
Geeignet für Kabelleiter
Geeignet für Kabelrinne
Geeignet für Kabeltragsystemhöhe
110 - 110 mm
Länge
360 mm
Werkstoff
Stahl
Rostfreier Stahl, gebeizt
Oberflächenschutz
feuerverzinkt
Farbe
Zink
ETIM-Klasse
Verbinder für Kabeltragsystem

Artikelinformationen vom Hersteller

Oft zusammen gekauft