Zajadacz EVI

OBO 2390/8T Geräteeinbaudose 1-fach

f.GEK PVC steingrau RAL7030 6270743

Artikel
128080
Lieferanten Typ
2390/8T
Lieferanten Artikel
6270743

Beschreibung

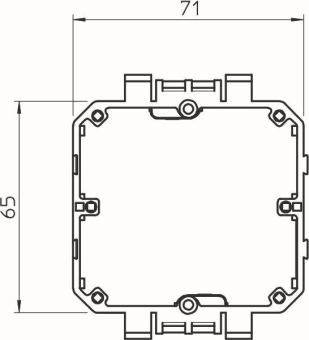
Geräteeinbaudose einfach zum Einbau in Geräteeinbaukanäle GEK-K mit Systemöffnung 80 mm.

Hersteller-Seite

Artikeleigenschaften

Zolltarif-Nr.
39269097
ISO 50001 Zertifizierung
ISO 14001 Zertifizierung
Ursprungs-Land
HU
WEEE-Land
DE
WEEE-Nummer
64419409
Anzahl der Einheiten
1
Geräteart
sonstige
Befestigungsspur
sonstige
Zugentlastungsmöglichkeit
Mit Anschlussraum
Werkstoff
Kunststoff
ETIM-Klasse
Einbaudose für Geräteeinbaukanal

Artikelinformationen vom Hersteller

Oft zusammen gekauft